Parts Number
Inquiry
Product Information
التسميات
495/492A
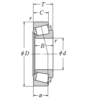
أبعاد الحدود
| d | 82.55 | mm | Bore diameter |
| D | 133.35 | mm | Outside diameter |
| T | 30.162 | mm | Total width |
| B | 29.769 | mm | Width of inner ring |
| C | 22.225 | mm | Width of outer ring |
| Cup r (min.) | 3.3 | mm | Chamfer dimension of outer ring (Cup) |
| Cone r (min.) | 3.5 | mm | Chamfer dimension of inner ring (Cone) |
تقييمات الحمولة الأساسية
| Cr | 160000 | N | Basic dynamic load rating |
| C0r | 192000 | N | Basic static load rating |
السرعات
| Grease | 2600 | min-1 | Grease lubrication |
| Oil (Oil-bath) | 3400 | min-1 | Oil-bath lubrication |
Abutment and Fillet Dimensions
| da | 97 | mm | Diameter of shaft abutment |
| Da | 120 | mm | Diameter of housing abutment |
| db | 90 | mm | Diameter of shaft abutment |
| Db | 128 | mm | Diameter of housing abutment |
| ra (max.) | 3.5 | mm | Radius of shaft or housing fillet of inner ring |
| ra (max.) | 3.3 | mm | Radius of shaft or housing fillet of outer ring |
Calculation factors
| e | 0.44 | Constant | |
| Y0 | 0.74 | Axial load Factors | |
| Y1 | 1.4 | Axial load Factors |
Mass
| CONE (approx.) | 1.08 | kg | |
| CUP (approx.) | 0.434 | kg |


