Parts Number
Inquiry
Product Information
التسميات
6900NR
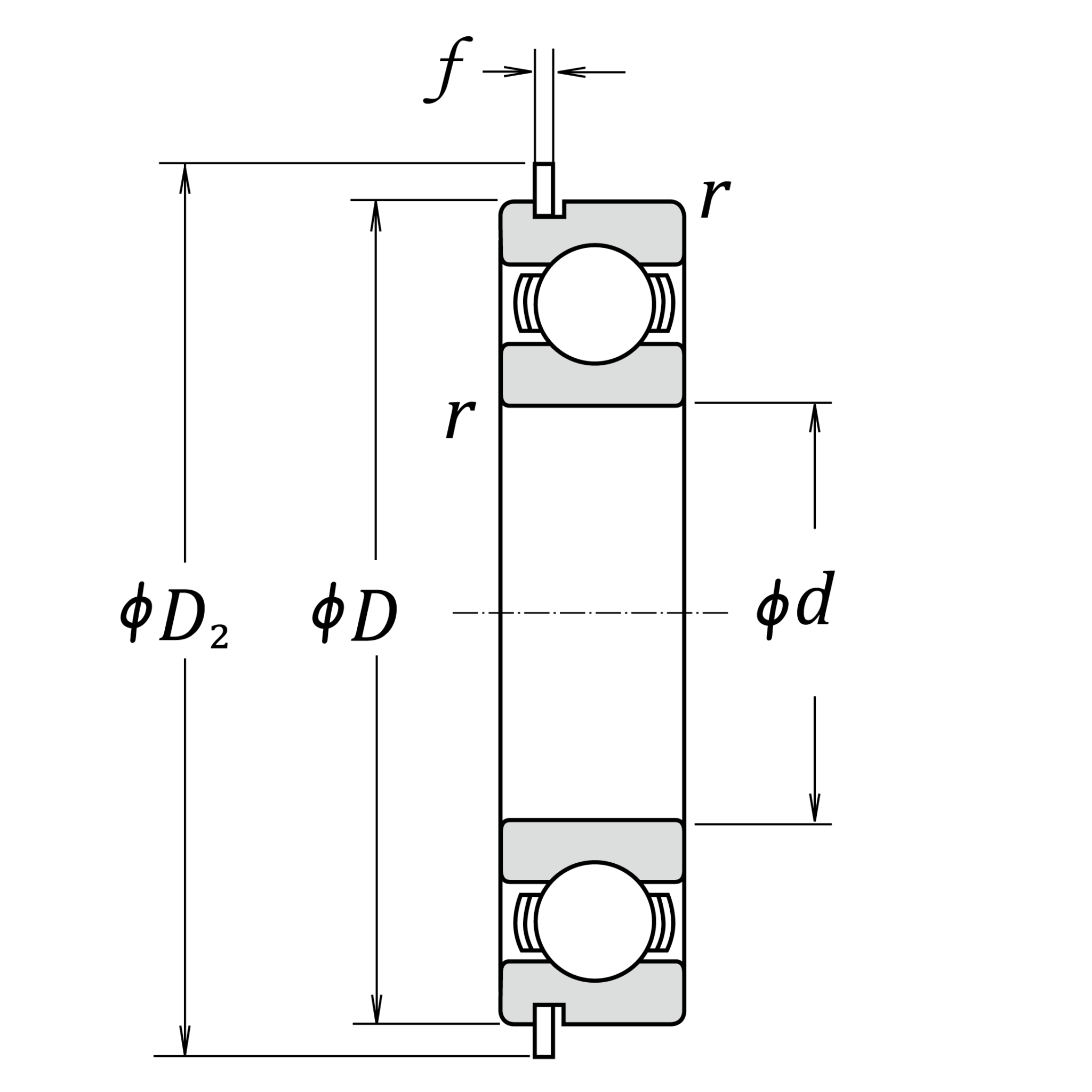
أبعاد الحدود
| d | 10 | mm | Bore diameter |
| D | 22 | mm | Outside diameter |
| B | 6 | mm | Width |
| r (min.) | 0.3 | mm | Chamfer dimension |
تقييمات الحمولة الأساسية
| Cr | 2970 | N | Basic dynamic load rating |
| C0r | 1270 | N | Basic static load rating |
السرعات
| Grease | 32000 | min-1 | Grease lubrication |
| Oil (Oil-bath) | 38000 | min-1 | Oil-bath lubrication |
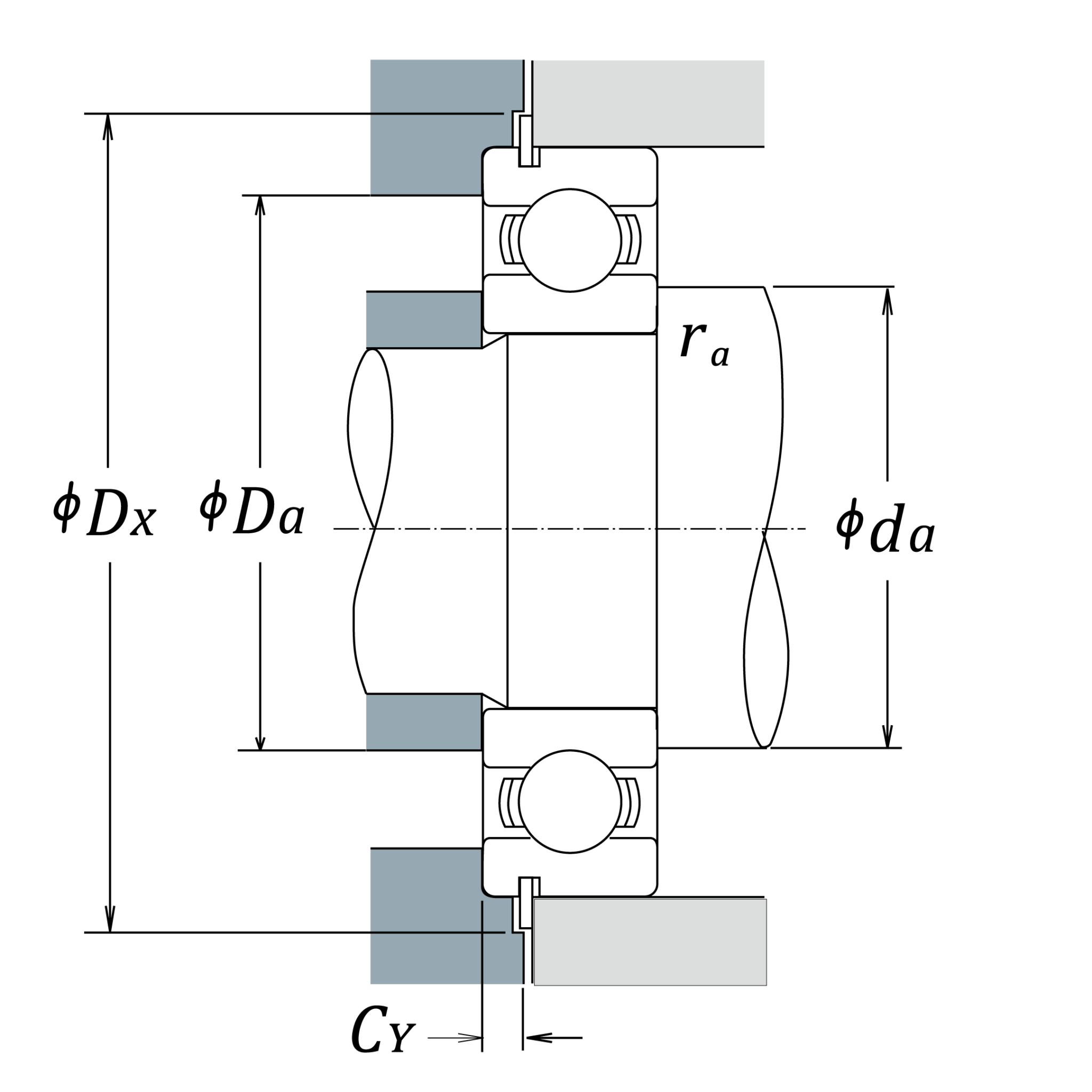
Abutment and Fillet Dimensions
| da (min.) | 12 | mm | Diameter of shaft abutment |
| da (max.) | 12.5 | mm | Diameter of shaft abutment |
| Da (max.) | 20 | mm | Diameter of housing abutment |
| ra (max.) | 0.3 | mm | Radius of shaft or housing fillet |
| Dx (min.) | 25.5 | mm | Diameter of snap ring recess in the housing |
| Cy (max.) | 1.5 | mm | Distance from outer ring side face to snap ring back face |
Calculation factors
| fo | 14 | Factor |
Mass
| (approx.) | 0.009 | kg |



