Parts Number

  • 7001AWDT
  • 7001AWDTP5
  • 7001AWDTP6
  • Inquiry

    Product Information

    Désignations

    7001AWDT

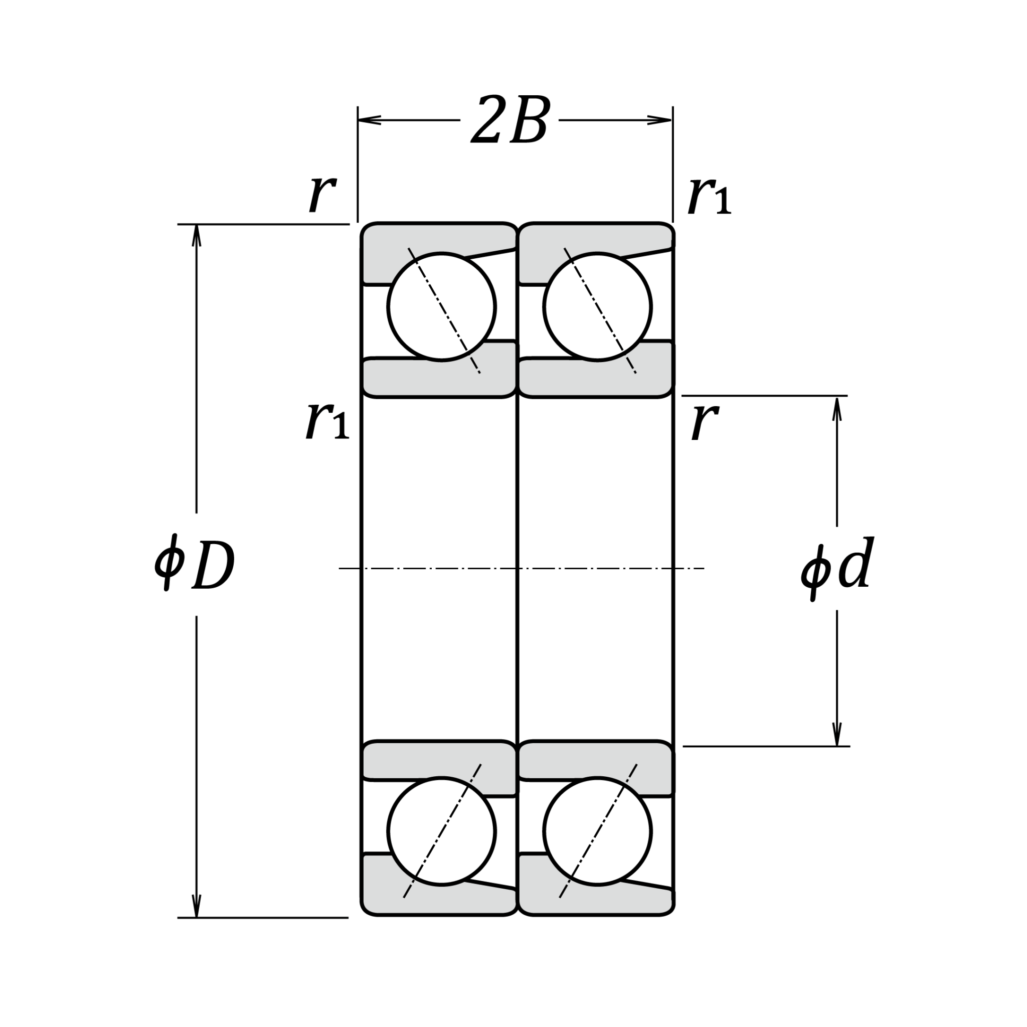
    Dimensions des frontières

    d12mmBore diameter
    D28mmOutside diameter
    2B16mmWidth 2B
    r (min.)0.3mmChamfer dimension
    r1 (min.)0.15mmChamfer dimension

    Charges nominales de base

    Cr10300NBasic dynamic load rating
    C0r5950NBasic static load rating

    Vitesses

    Grease18000min-1Grease lubrication
    Oil (Oil-bath)24000min-1Oil-bath lubrication

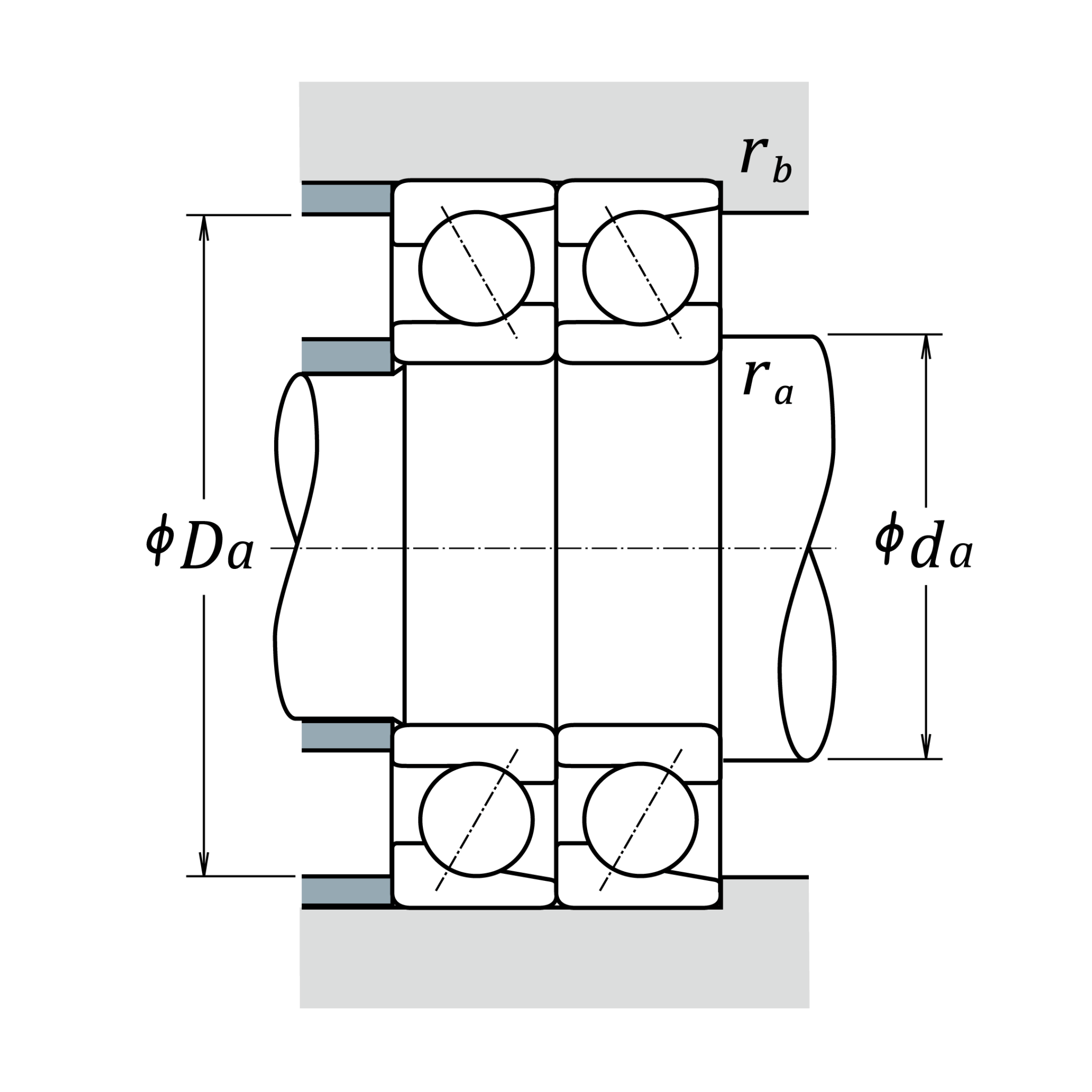
    Abutment and Fillet Dimensions

    da (min.)14.5mmDiameter of shaft abutment
    Da (max.)25.5mmDiameter of housing abutment
    ra (max.)0.3mmRadius of shaft or housing fillet

    Mass

    (approx.)0.042kg
    Retour en haut