Numero di parti
Richiesta di informazioni
Informazioni sul prodotto
Designazioni
NUP336EM
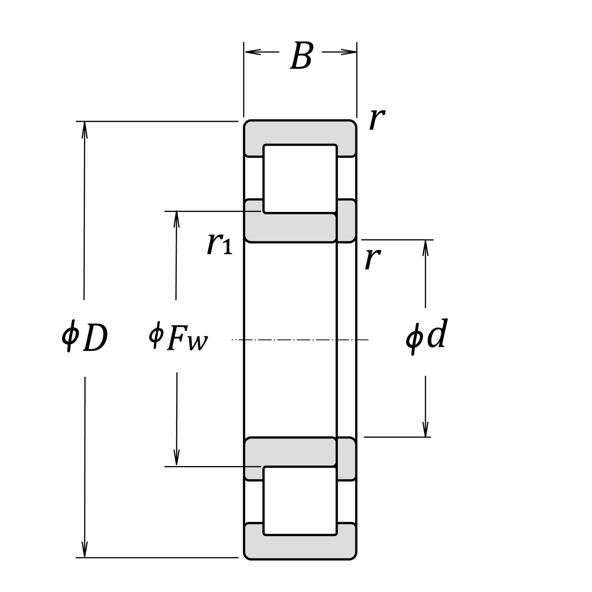
Dimensioni dei confini
| d | 180 | mm | Diametro del foro |
| D | 380 | mm | Diametro esterno |
| B | 75 | mm | Larghezza |
| FW | 231 | mm | Raceway diameter of inner ring |
| r (min.) | 4 | mm | Dimensione dello smusso |
| r1 (min.) | 4 | mm | Dimensione dello smusso |
Valori di carico di base
| Cr | 1210000 | N | Valutazione del carico dinamico di base |
| C0r | 1230000 | N | Valutazione del carico statico di base |
Velocità
| Velocità termica nominale (a bagno d'olio) | 1700 | min-1 | Lubrificazione a bagno d'olio soggetta alle condizioni indicate nella norma ISO 15312 |
| Mechanical (forced-circulation oil) | 2800 | min-1 | Properly designed and controlled forced-circulation oil lubrication |
| Grasso | 1500 | min-1 | Lubrificazione a grasso |
| Olio (Bagno d'olio) | 1800 | min-1 | Lubrificazione a bagno d'olio |
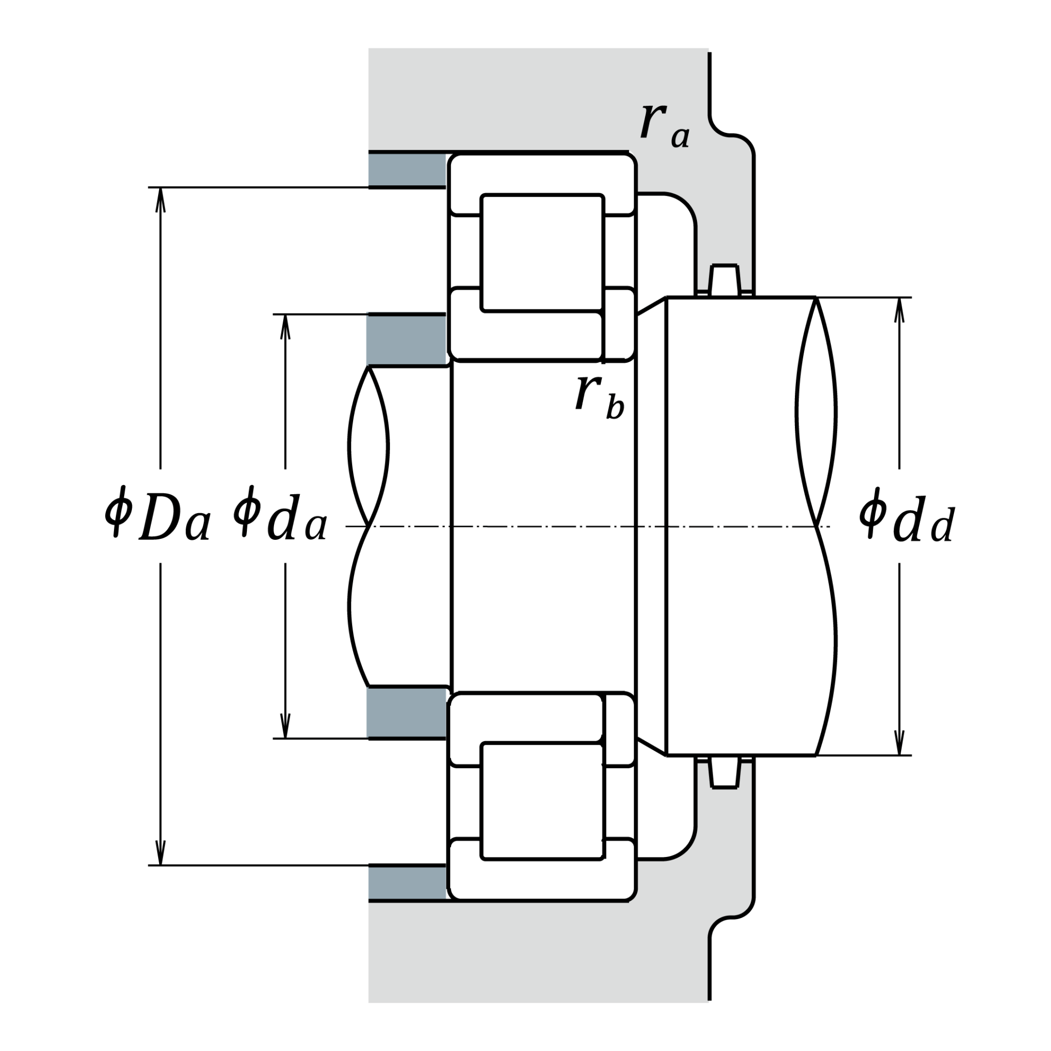
Dimensioni del moncone e del filetto
| da (min.) | 196 | mm | Diametro del pilastro dell'albero |
| dd (min.) | 255 | mm | Diametro del pilastro dell'albero |
| Da (max.) | 364 | mm | Diametro del pilastro dell'alloggiamento |
| ra (max.) | 3 | mm | Raggio del filetto dell'albero o dell'alloggiamento |
| rb (max.) | 3 | mm | Raggio del filetto dell'albero o dell'alloggiamento |
Massa
| (circa) | 44.6 | kg |


