Parts Number
Inquiry
Product Information
Designations
02473/02420
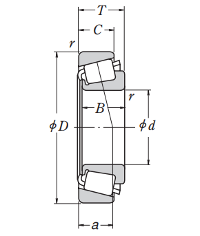
Boundary Dimensions
| d | 25.4 | mm | Bore diameter |
| D | 68.262 | mm | Outside diameter |
| T | 22.225 | mm | Total width |
| B | 22.225 | mm | Width of inner ring |
| C | 17.462 | mm | Width of outer ring |
| Cup r (min.) | 1.5 | mm | Chamfer dimension of outer ring (Cup) |
| Cone r (min.) | 0.8 | mm | Chamfer dimension of inner ring (Cone) |
Basic Load Ratings
| Cr | 68000 | N | Basic dynamic load rating |
| C0r | 64000 | N | Basic static load rating |
Speeds
| Grease | 5600 | min-1 | Grease lubrication |
| Oil (Oil-bath) | 7500 | min-1 | Oil-bath lubrication |
Abutment and Fillet Dimensions
| da | 34.5 | mm | Diameter of shaft abutment |
| Da | 59 | mm | Diameter of housing abutment |
| db | 33.5 | mm | Diameter of shaft abutment |
| Db | 63 | mm | Diameter of housing abutment |
| ra (max.) | 0.8 | mm | Radius of shaft or housing fillet of inner ring |
| ra (max.) | 1.5 | mm | Radius of shaft or housing fillet of outer ring |
Calculation factors
| e | 0.42 | Constant | |
| Y0 | 0.79 | Axial load Factors | |
| Y1 | 1.4 | Axial load Factors |
Mass
| CONE (approx.) | 0.28 | kg | |
| CUP (approx.) | 0.152 | kg |


