Parts Number
Inquiry
Product Information
Designations
29324E
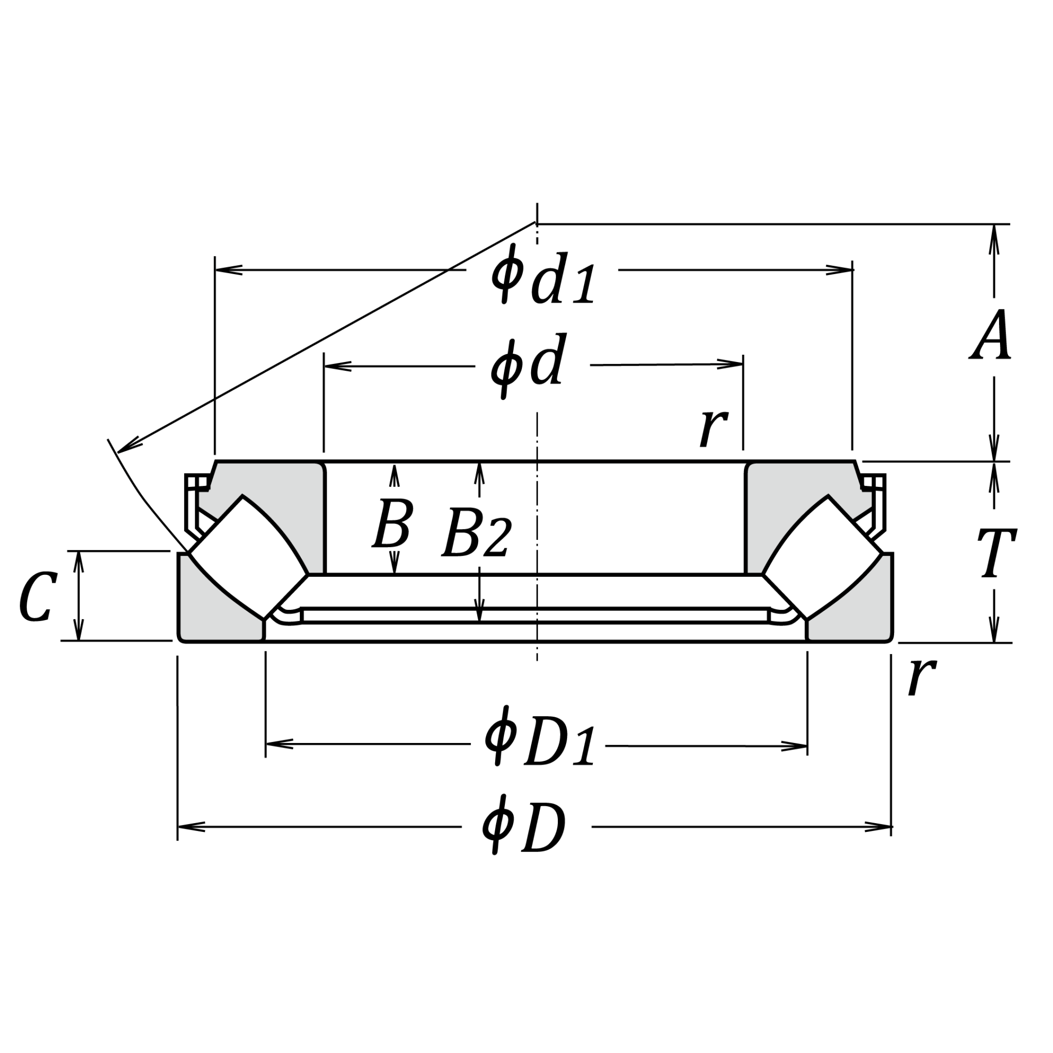
Boundary Dimensions
| d | 120 | mm | Bore diameter |
| D | 210 | mm | Outside diameter |
| T,T3 | 54 | mm | Height |
| r (min.) | 2.1 | mm | Chamfer dimension |
Basic Load Ratings
| Ca | 645000 | N | Basic dynamic load rating |
| C0a | 2100000 | N | Basic static load rating |
Speeds
| Oil (Oil-bath) | 1600 | min-1 | Oil-bath lubrication |
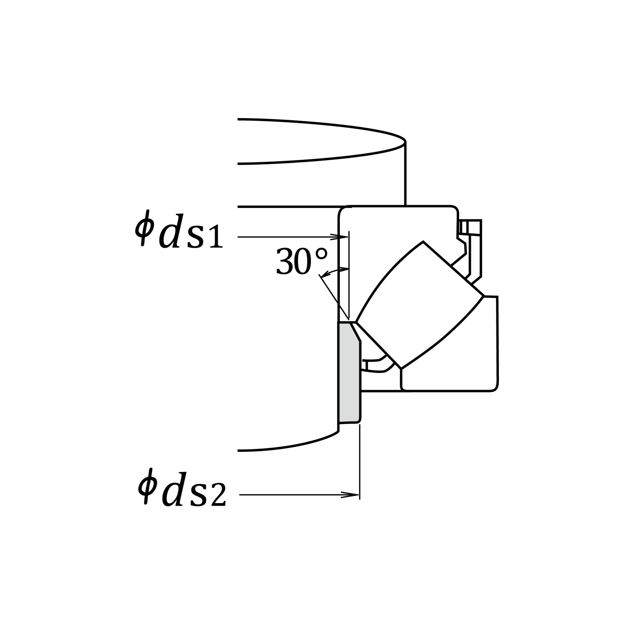
Abutment and Fillet Dimensions
| Da (max.) | 180 | mm | Diameter of housing abutment |
| Db (max.) | 214 | mm | Abutment diameter housing (E design) |
| ra (max.) | 2 | mm | Radius of shaft or housing fillet |
| da (min.) | 160 | mm | Abutment diameter spacer ring (E design) |
Mass
| (approx.) | 7.3 | kg |



