Parts Number
Inquiry
Product Information
Designations
30202
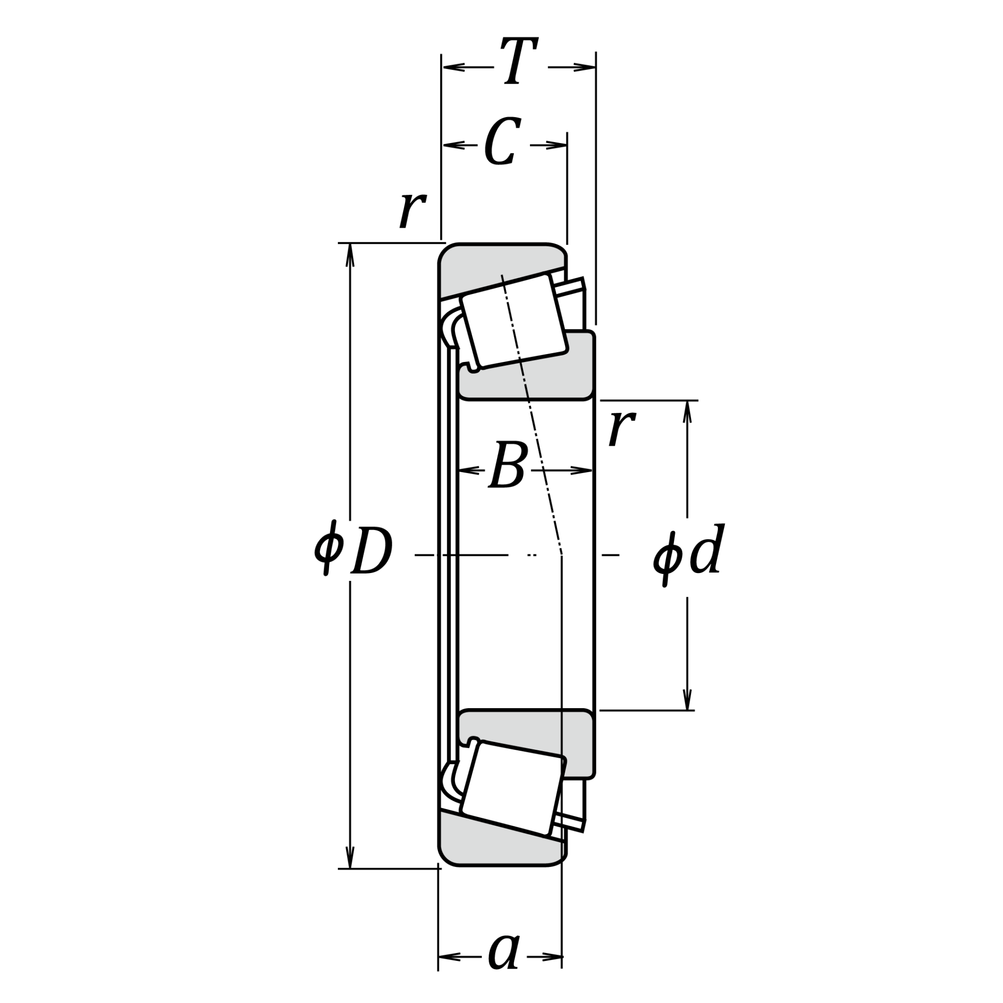
Boundary Dimensions
| d | 15 | mm | Bore diameter |
| D | 35 | mm | Outside diameter |
| T | 11.75 | mm | Total width |
| B | 11 | mm | Width of inner ring |
| C | 10 | mm | Width of outer ring |
| Cup r (min.) | 0.6 | mm | Chamfer dimension of outer ring (Cup) |
| Cone r (min.) | 0.6 | mm | Chamfer dimension of inner ring (Cone) |
Basic Load Ratings
| Cr | 18200 | N | Basic dynamic load rating |
| C0r | 13200 | N | Basic static load rating |
Speeds
| Grease | 11000 | min-1 | Grease lubrication |
| Oil (Oil-bath) | 15000 | min-1 | Oil-bath lubrication |
Abutment and Fillet Dimensions
| da (min.) | 23 | mm | Diameter of shaft abutment |
| Db (min.) | 33 | mm | Diameter of housing abutment |
| Da (min.) | 30 | mm | Diameter of housing abutment |
| Da (max.) | 30 | mm | Diameter of housing abutment |
| Sa | 2 | mm | Minimum width of space required in housing on large side face |
| Sb | 1.5 | mm | Minimum width of space required in housing on small side face |
| db (max.) | 19 | mm | Diameter of shaft abutment |
| ra (max.) | 0.6 | mm | Radius of shaft or housing fillet of inner ring |
| ra (max.) | 0.6 | mm | Radius of shaft or housing fillet of outer ring |
Calculation factors
| e | 0.32 | Constant | |
| Y0 | 1 | Axial load Factors | |
| Y1 | 1.9 | Axial load Factors |
Mass
| (approx.) | 0.053 | kg |


