Parts Number
Inquiry
Product Information
Designations
51101
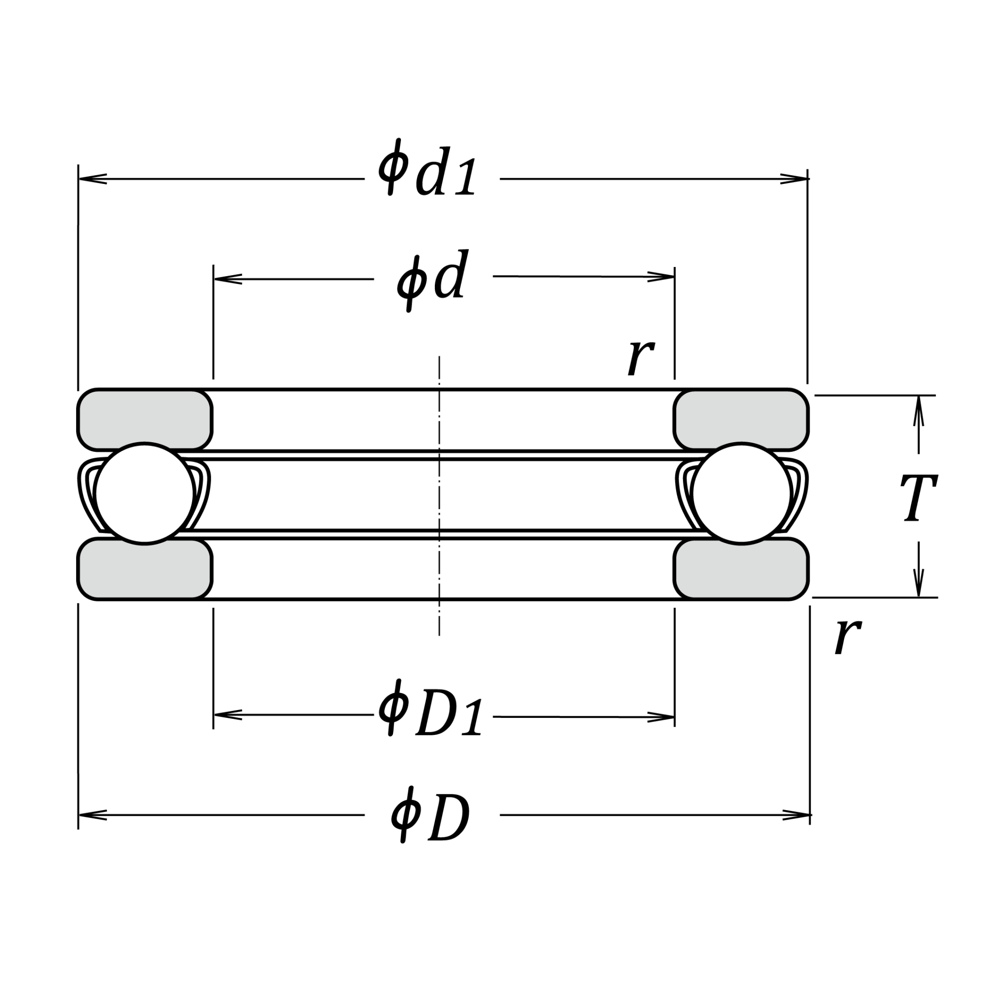
Boundary Dimensions
| d | 12 | mm | Bore diameter |
| D | 26 | mm | Outside diameter |
| T,T3 | 9 | mm | Height |
| r (min.) | 0.3 | mm | Chamfer dimension |
Basic Load Ratings
| Ca | 10400 | N | Basic dynamic load rating |
| C0a | 15400 | N | Basic static load rating |
Speeds
| Grease | 6700 | min-1 | Grease lubrication |
| Oil (Oil-bath) | 10000 | min-1 | Oil-bath lubrication |
Abutment and Fillet Dimensions
| da (min.) | 20 | mm | Diameter of shaft abutment |
| Da (max.) | 18 | mm | Diameter of housing abutment |
| ra (max.) | 0.3 | mm | Radius of shaft or housing fillet |
Mass
| (approx.) | 0.021 | kg |


