Parts Number
Inquiry
Product Information
Designations
7310BEAT85
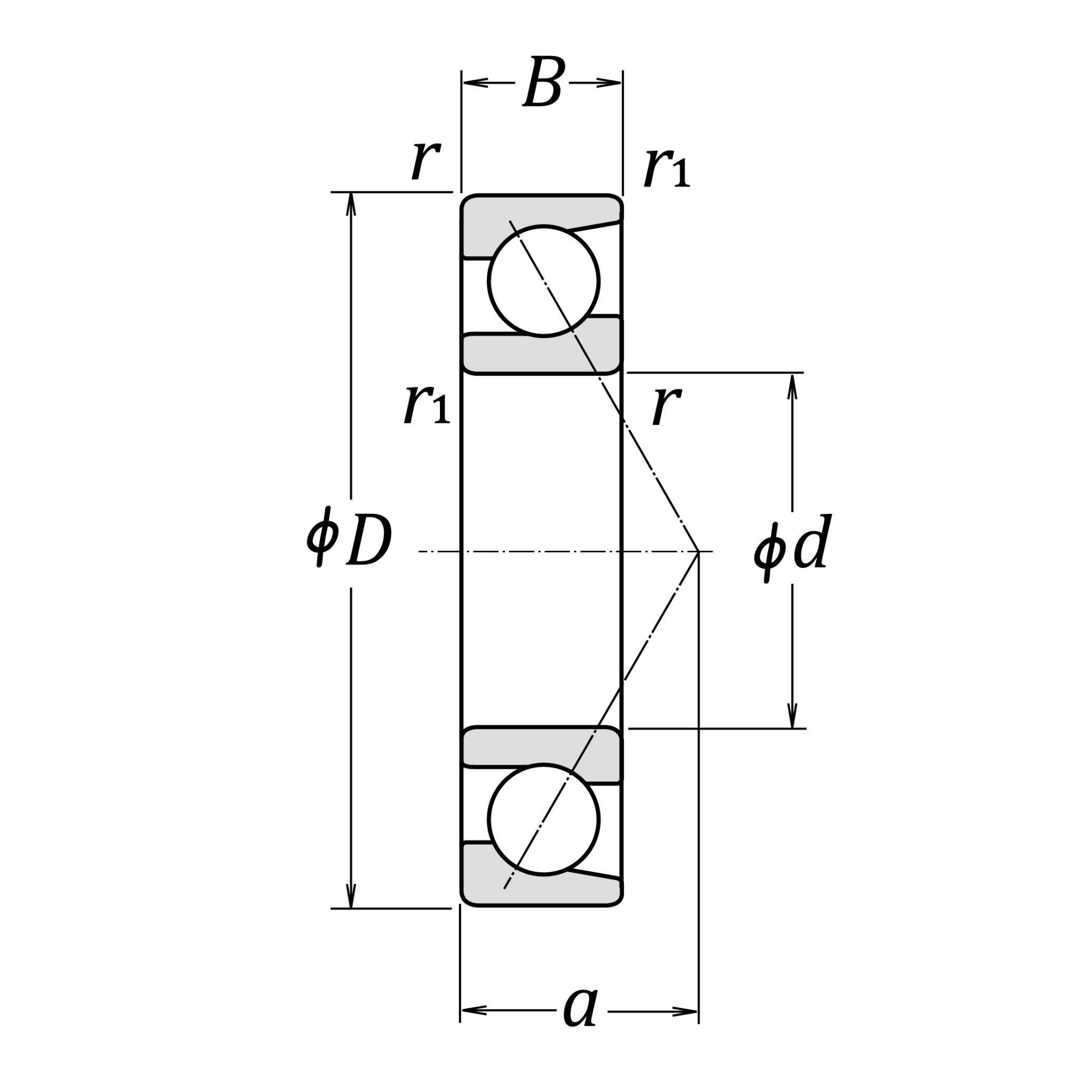
Boundary Dimensions
| d | 50 | mm | Bore diameter |
| D | 110 | mm | Outside diameter |
| B | 27 | mm | Width |
| r (min.) | 2 | mm | Chamfer dimension |
| r1 (min.) | 1 | mm | Chamfer dimension |
Basic Load Ratings
| Cr | 82000 | N | Basic dynamic load rating |
| C0r | 50500 | N | Basic static load rating |
Speeds
| Grease | 5600 | min-1 | Grease lubrication |
| Oil (Oil-bath) | 8000 | min-1 | Oil-bath lubrication |
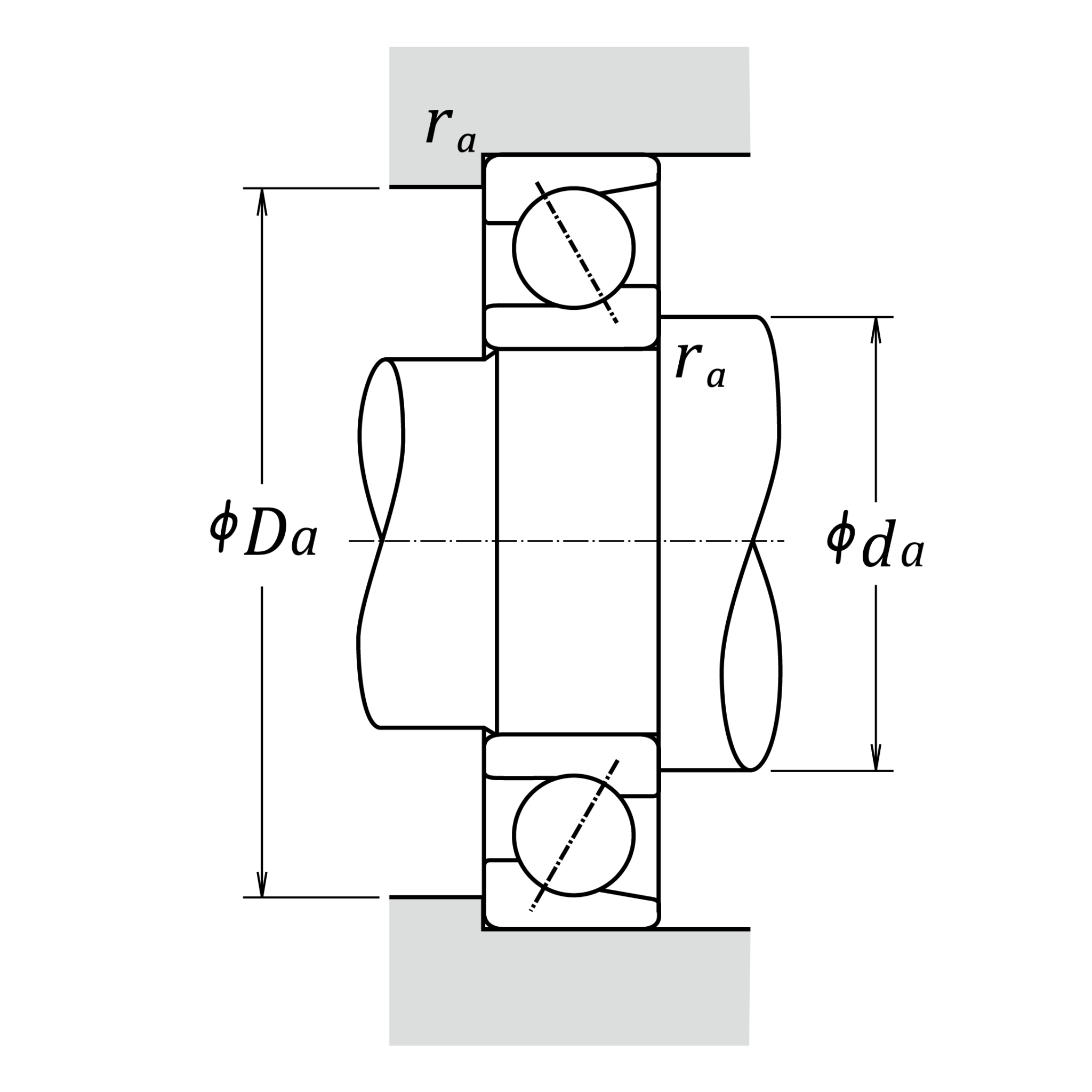
Abutment and Fillet Dimensions
| da (min.) | 60 | mm | Diameter of shaft abutment |
| Da (max.) | 100 | mm | Diameter of housing abutment |
| ra (max.) | 2 | mm | Radius of shaft or housing fillet |
Mass
| (approx.) | 1.07 | kg |


