Parts Number
Inquiry
Product Information
Designations
AELPP204
Basic Load Ratings
| Cr | 12.8 | kN | Basic dynamic load rating |
| C0r | 6.65 | kN | Basic static load rating |
Others
Included products
| Bearing | AEL204 | Bearing | |
| Housing | PP204 | Housing |
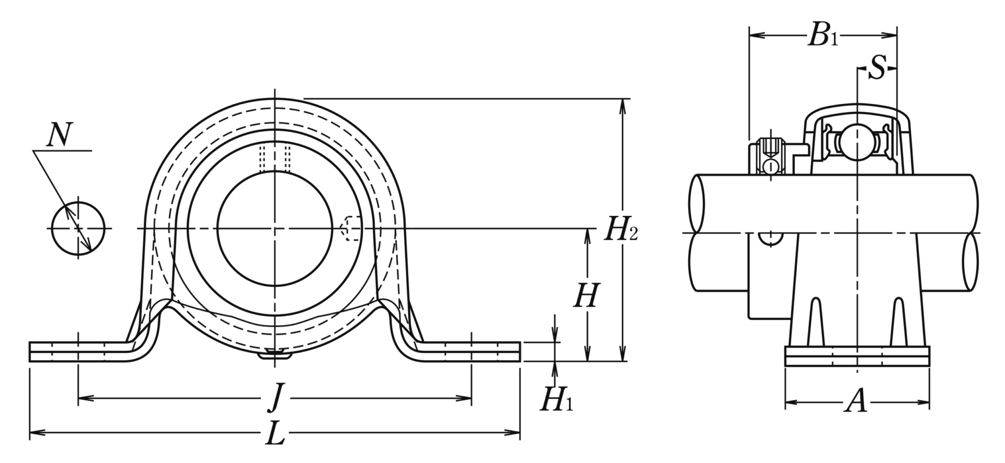
Nominal Dimensions
| d | 20 | mm | Bore diameter |
| L | 98 | mm | Overall length |
| H | 25.4 | mm | Height of spherical seat centre |
| J | 76 | mm | Distance between attachment bolts |
| N | 9.5 | mm | Diameter of attachment bolt hole |
| A | 32 | mm | Base width |
| H1 | 3.2 | mm | Distance between bottoms of piloting grooves |
| B1 | 31 | mm | Width of inner ring |
| S | 7.5 | mm | Distance from Opposite side face of locking device to raceway centre |
| H2 | 50.5 | mm | Overall height |
Mounting information
| G | M 8 | Bolt size |
Permissible housing load
| CR | 2.5 | kN | Radial |
| CA | 1 | kN | Axial |
Mass
| mass | 0.2 | kg | Mass approx. |

