Parts Number
Inquiry
Product Information
Designations
ASPFL204
Basic Load Ratings
| Cr | 12.8 | kN | Basic dynamic load rating |
| C0r | 6.65 | kN | Basic static load rating |
Others
Included products
| Bearing | AS204 | Bearing | |
| Housing | PFL204 | Housing |
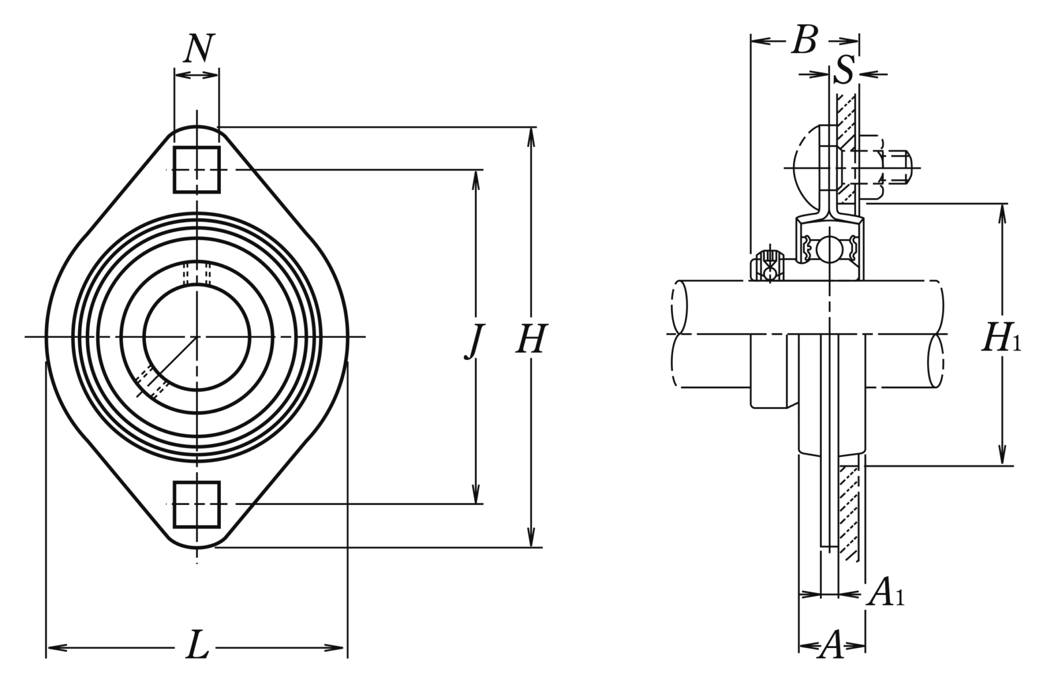
Nominal Dimensions
| d | 20 | mm | Bore diameter |
| L,L1 | 67 | mm | Overall height |
| H | 90 | mm | Height of spherical seat centre |
| J | 71.5 | mm | Distance between attachment bolts |
| N | 9 | mm | Diameter of attachment bolt hole |
| A1 | 4 | mm | Flange width |
| A | 16 | mm | Base width |
| B,B1,B2 | 25 | mm | Width of inner ring |
| H1 | 56 | mm | Abutment diameter |
| S | 7 | mm | Distance from Opposite side face of locking device to raceway centre |
Mounting information
| G | M 8 | Bolt size |
Permissible housing load
| CR | 3 | kN | Radial |
Mass
| mass | 0.2 | kg | Mass approx. |

