Parts Number

  • BL316ZZ
  • BL316ZZC3
  • Inquiry

    Product Information

    Designations

    BL316ZZ

    Boundary Dimensions

    d80mmBore diameter
    D170mmOutside diameter
    B39mmWidth
    r (min.)2.1mmChamfer dimension

    Basic Load Ratings

    Cr150000NBasic dynamic load rating
    C0r130000NBasic static load rating

    Speeds

    Grease3800min-1Grease lubrication

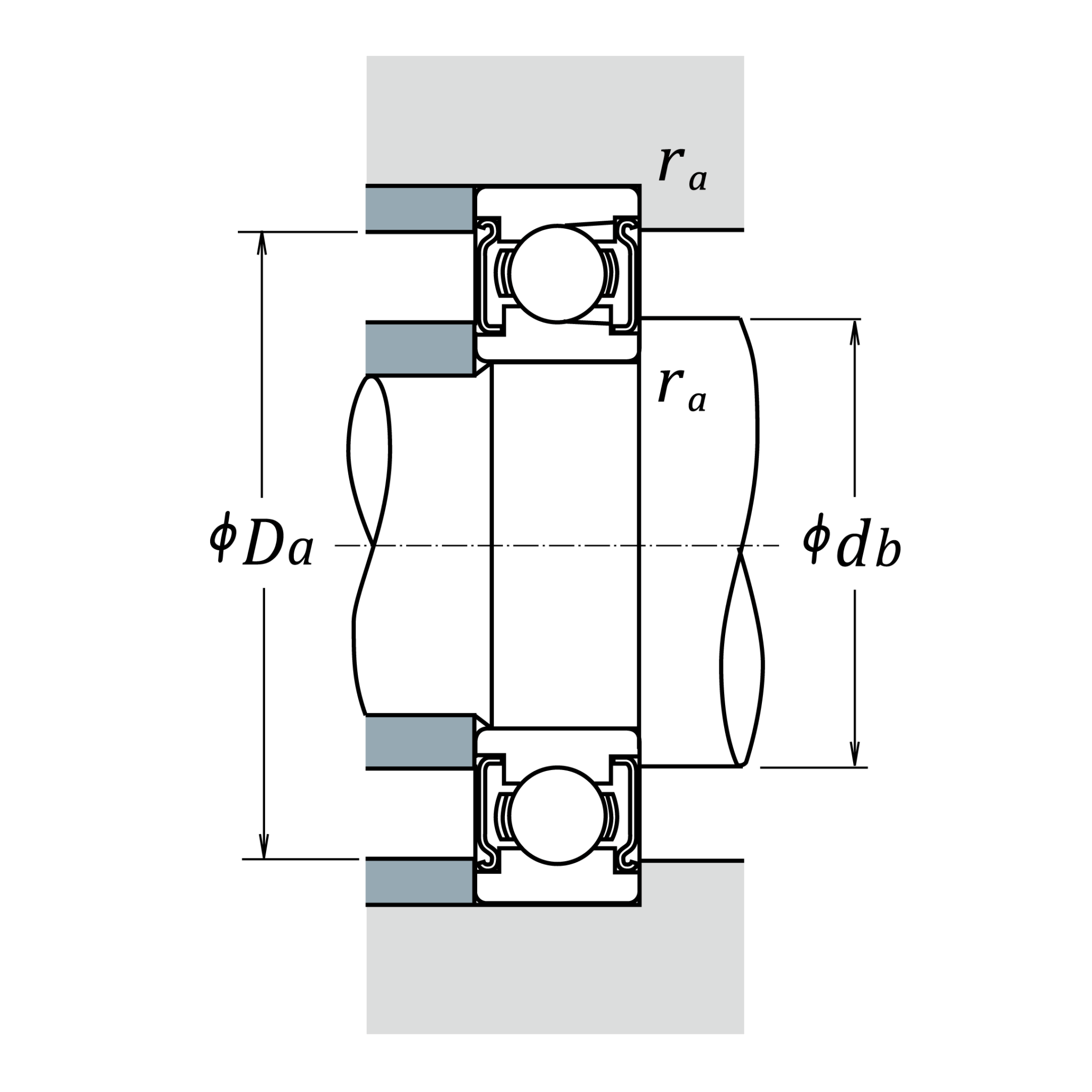
    Abutment and Fillet Dimensions

    da (min.)91mmDiameter of shaft abutment
    Da (max.)159mmDiameter of housing abutment
    db (max.)104.5mmDiameter of shaft abutment
    ra (max.)2mmRadius of shaft or housing fillet

    Mass

    (approx.)4.08kg
    Scroll to Top