Parts Number
Inquiry
Product Information
Designations
N1007
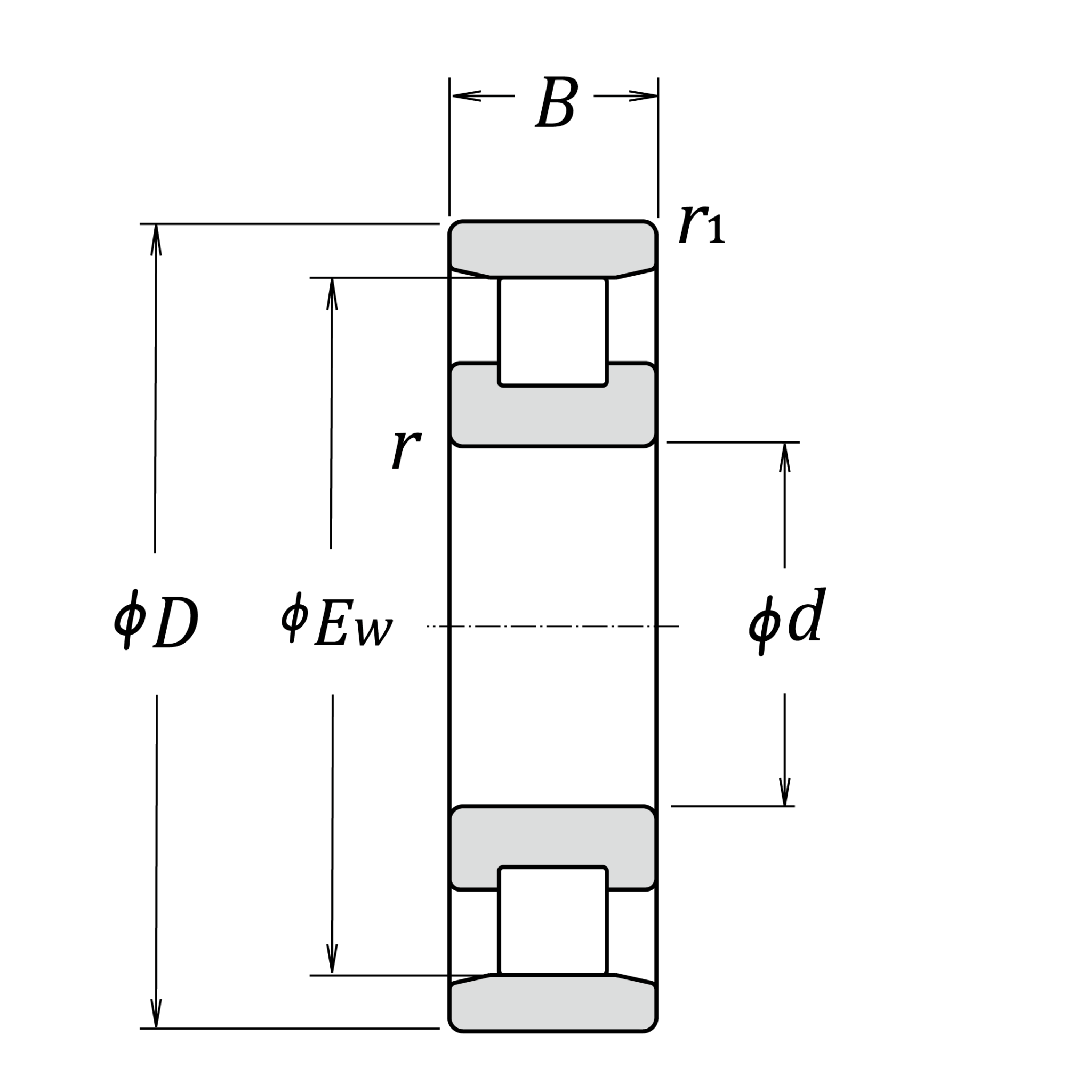
Boundary Dimensions
| d | 35 | mm | Bore diameter |
| D | 62 | mm | Outside diameter |
| B | 14 | mm | Width |
| EW | 55 | mm | Raceway diameter of outer ring |
| r (min.) | 1 | mm | Chamfer dimension |
| r1 (min.) | 0.6 | mm | Chamfer dimension |
Basic Load Ratings
| Cr | 27800 | N | Basic dynamic load rating |
| C0r | 23200 | N | Basic static load rating |
Speeds
| Thermal Speed Rating (Oil-bath) | 11000 | min-1 | Oil-bath lubrication subject to conditions outlined in ISO 15312 |
| Grease | 11000 | min-1 | Grease lubrication |
| Oil (Oil-bath) | 13000 | min-1 | Oil-bath lubrication |
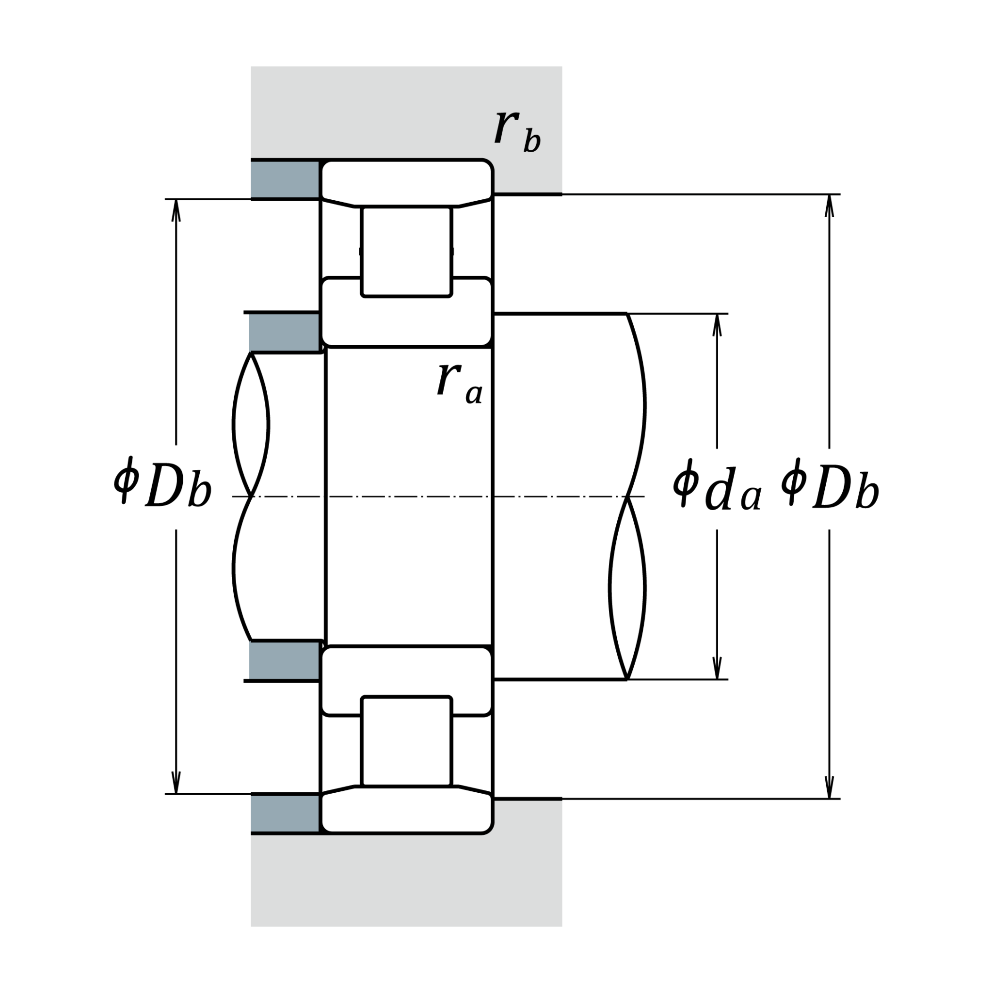
Abutment and Fillet Dimensions
| da (min.) | 40 | mm | Diameter of shaft abutment |
| Db (min.) | 56 | mm | Diameter of housing abutment |
| Db (max.) | 58 | mm | Diameter of housing abutment |
| ra (max.) | 1 | mm | Radius of shaft or housing fillet |
| rb (max.) | 0.6 | mm | Radius of shaft or housing fillet |
Mass
| (approx.) | 0.182 | kg |


