Parts Number
Inquiry
Product Information
Designations
NN3006
Boundary Dimensions
| d | 30 | mm | Bore diameter |
| D | 55 | mm | Outside diameter |
| B | 19 | mm | Width |
| EW | 48.5 | mm | Raceway diameter of outer ring |
| r (min.) | 1 | mm | Chamfer dimension |
Basic Load Ratings
| Cr | 38000 | N | Basic dynamic load rating |
| C0r | 37000 | N | Basic static load rating |
Speeds
| Grease | 12000 | min-1 | Grease lubrication |
| Oil (Oil-bath) | 14000 | min-1 | Oil-bath lubrication |
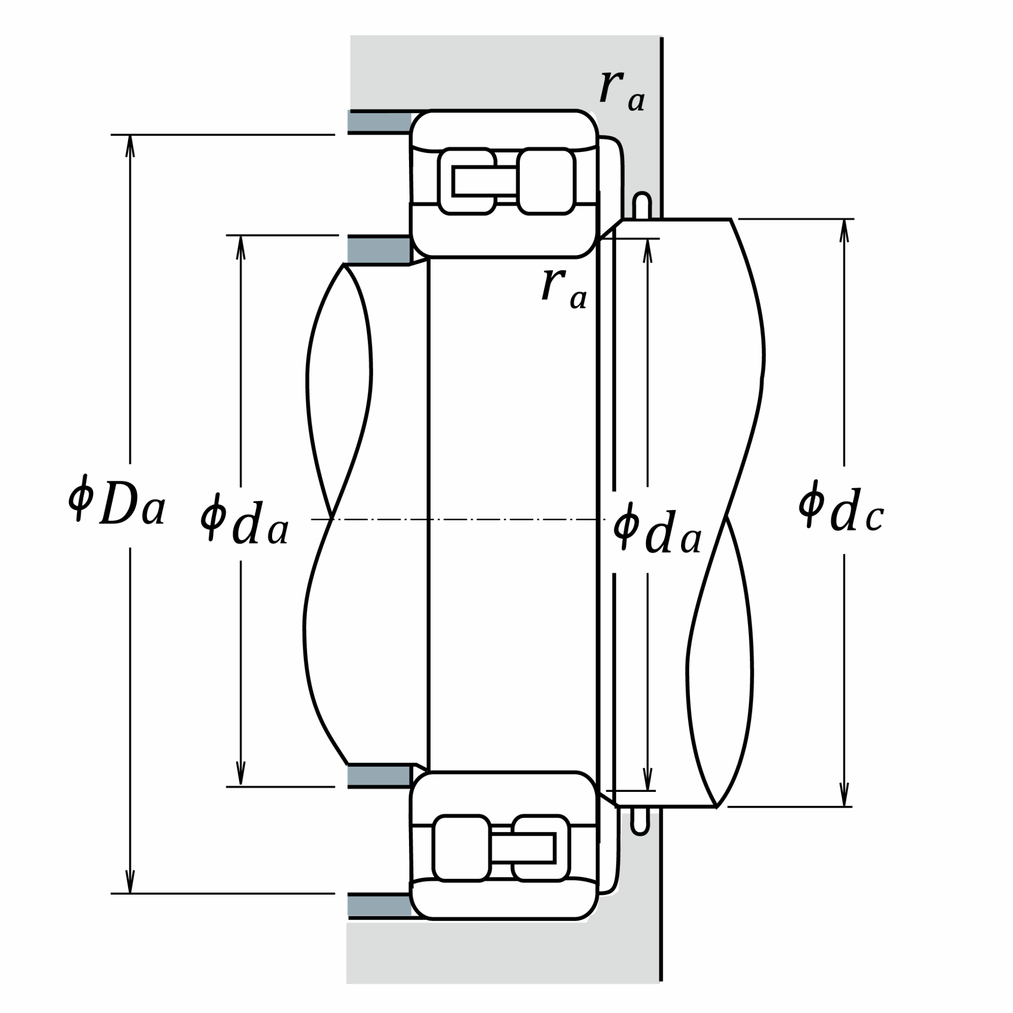
Abutment and Fillet Dimensions
| da (min.) | 35 | mm | Diameter of shaft abutment |
| d1a (min.) | 36 | mm | Diameter of spacer sleeve abutment |
| Da (min.) | 50 | mm | Diameter of housing abutment |
| Da (max.) | 50 | mm | Diameter of housing abutment |
| ra (max.) | 1 | mm | Radius of shaft or housing fillet |
Mass
| (approx.) | 0.198 | kg |


