Parts Number
Inquiry
Product Information
Designations
QJ1019
Boundary Dimensions
| d | 95 | mm | Bore diameter |
| D | 145 | mm | Outside diameter |
| B | 24 | mm | Width |
| r (min.) | 1.5 | mm | Chamfer dimension |
Basic Load Ratings
| Ca | 106000 | N | Basic dynamic load rating |
| C0a | 220000 | N | Basic static load rating |
Speeds
| Grease | 3400 | min-1 | Grease lubrication |
| Oil (Oil-bath) | 4500 | min-1 | Oil-bath lubrication |
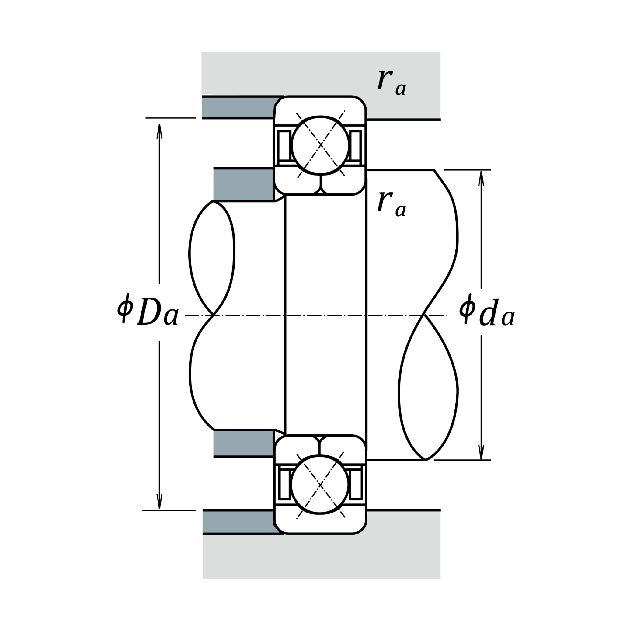
Abutment and Fillet Dimensions
| da (min.) | 104 | mm | Diameter of shaft abutment |
| Da (max.) | 136 | mm | Diameter of housing abutment |
| ra (max.) | 1.5 | mm | Radius of shaft or housing fillet |
Mass
| (approx.) | 1.5 | kg |


