Parts Number
Inquiry
Product Information
Designations
UELFLU204D1
Basic Load Ratings
| Cr | 12.8 | kN | Basic dynamic load rating |
| C0r | 6.65 | kN | Basic static load rating |
Others
Included products
| Bearing | UEL204D1 | Bearing | |
| Housing | FLU204D1 | Housing |
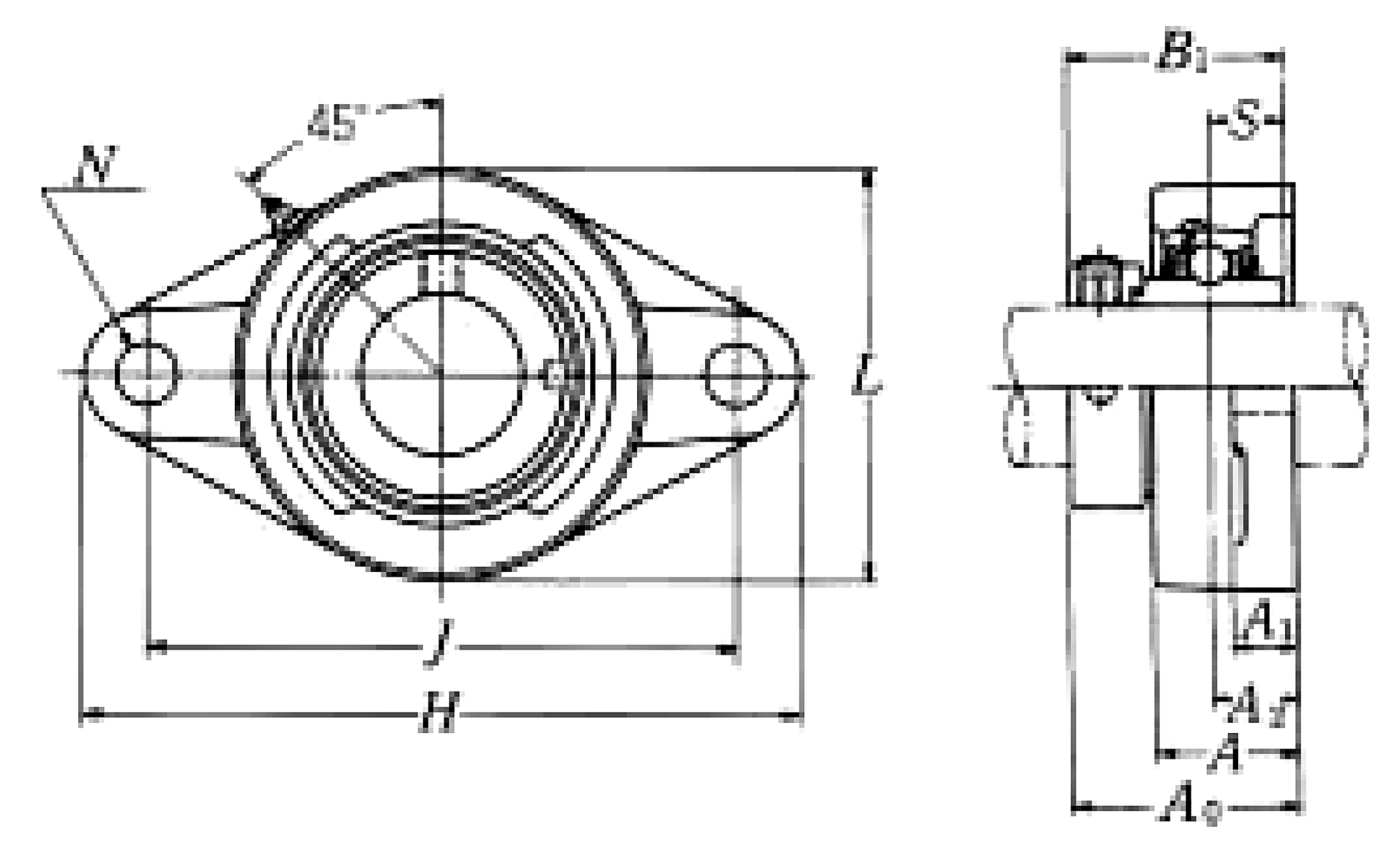
Nominal Dimensions
| d | 20 | mm | Bore diameter |
| L,L1 | 61 | mm | Overall height |
| J | 90 | mm | Distance between attachment bolts |
| N | 11.5 | mm | Diameter of attachment bolt hole |
| A2 | 19 | mm | Flange width |
| A1 | 15 | mm | Flange width |
| A | 29.5 | mm | Base width |
| A0 | 45.6 | mm | Overall width |
| B,B1,B2 | 43.7 | mm | Width of inner ring |
| H | 113 | mm | Overall length |
| S | 17.1 | mm | Distance from Opposite side face of locking device to raceway centre |
Mounting information
| G | M10 | Bolt size |
Mass
| mass | 0.6 | kg | Mass approx. |
