Parts Number
Inquiry
Product Information
Designations
UKFE212D1
Basic Load Ratings
| Cr | 52.5 | kN | Basic dynamic load rating |
| C0r | 36 | kN | Basic static load rating |
Others
Included products
| Bearing | UK212D1 | Bearing | |
| Housing | FE212D1 | Housing |
Associated products
| Adapter sleeve | H2312X | Adapter sleeve |
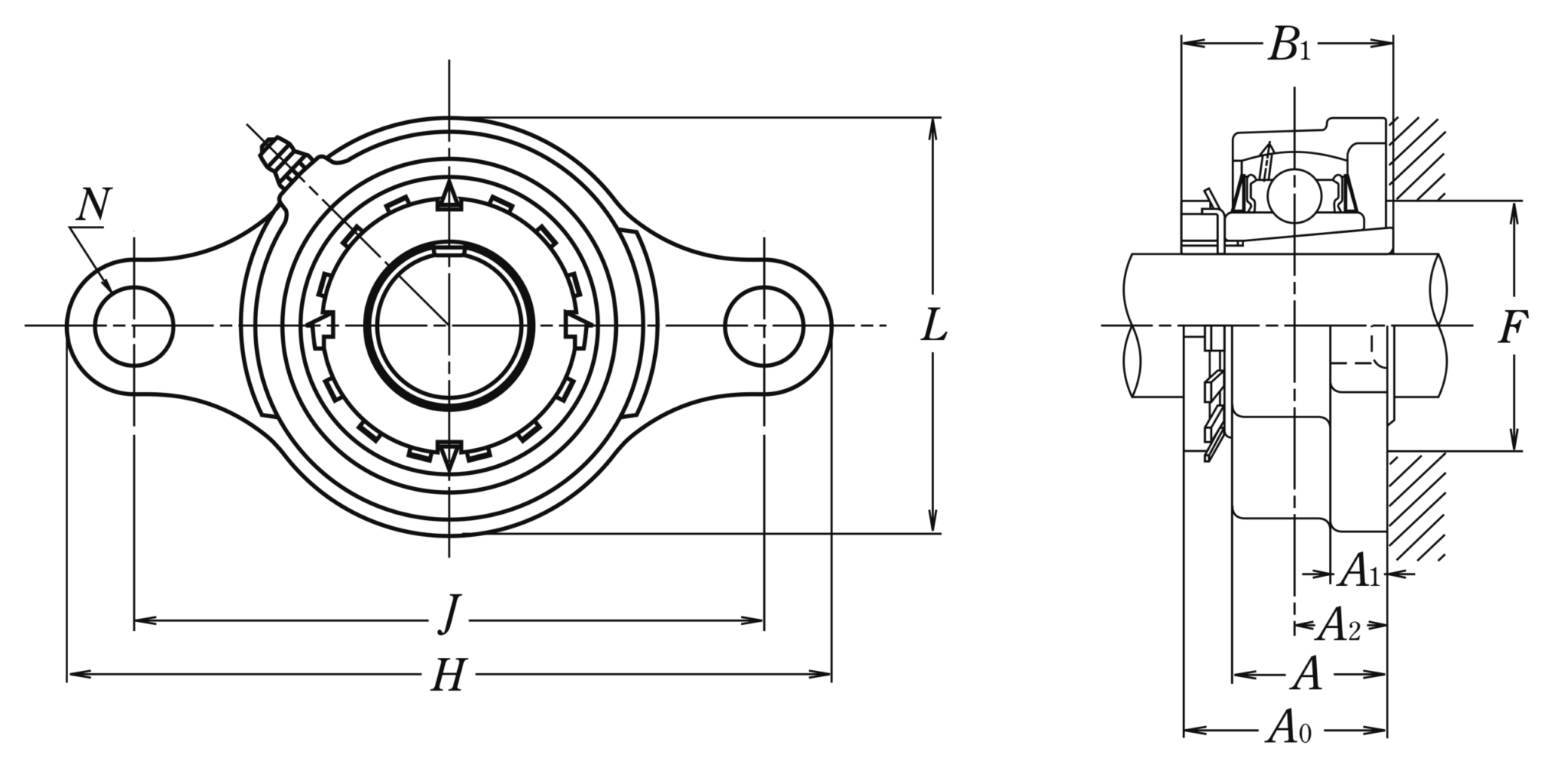
Nominal Dimensions
| d | 55 | mm | Bore diameter |
| L,L1 | 129 | mm | Overall height |
| J | 202 | mm | Distance between attachment bolts |
| N | 23 | mm | Diameter of attachment bolt hole |
| A2 | 29 | mm | Flange width |
| A1 | 18 | mm | Flange width |
| A | 46 | mm | Base width |
| A0 | 61 | mm | Overall width |
| B,B1,B2 | 62 | mm | Width of inner ring |
| F | 69 | mm | Diameter of housing abutment |
| H | 241 | mm | Overall length |
Mounting information
| G | M20 | Bolt size |
Mass
| mass | 2.9 | kg | Mass approx. |
