Parts Number
Inquiry
Product Information
Designations
ZM-UKP207D1
Basic Load Ratings
| Cr | 25.7 | kN | Basic dynamic load rating |
| C0r | 15.3 | kN | Basic static load rating |
Others
Included products
| Bearing | UK207D1 | Bearing | |
| Housing | P207D1 | Housing |
Associated products
| Adapter sleeve | H2307X | Adapter sleeve |
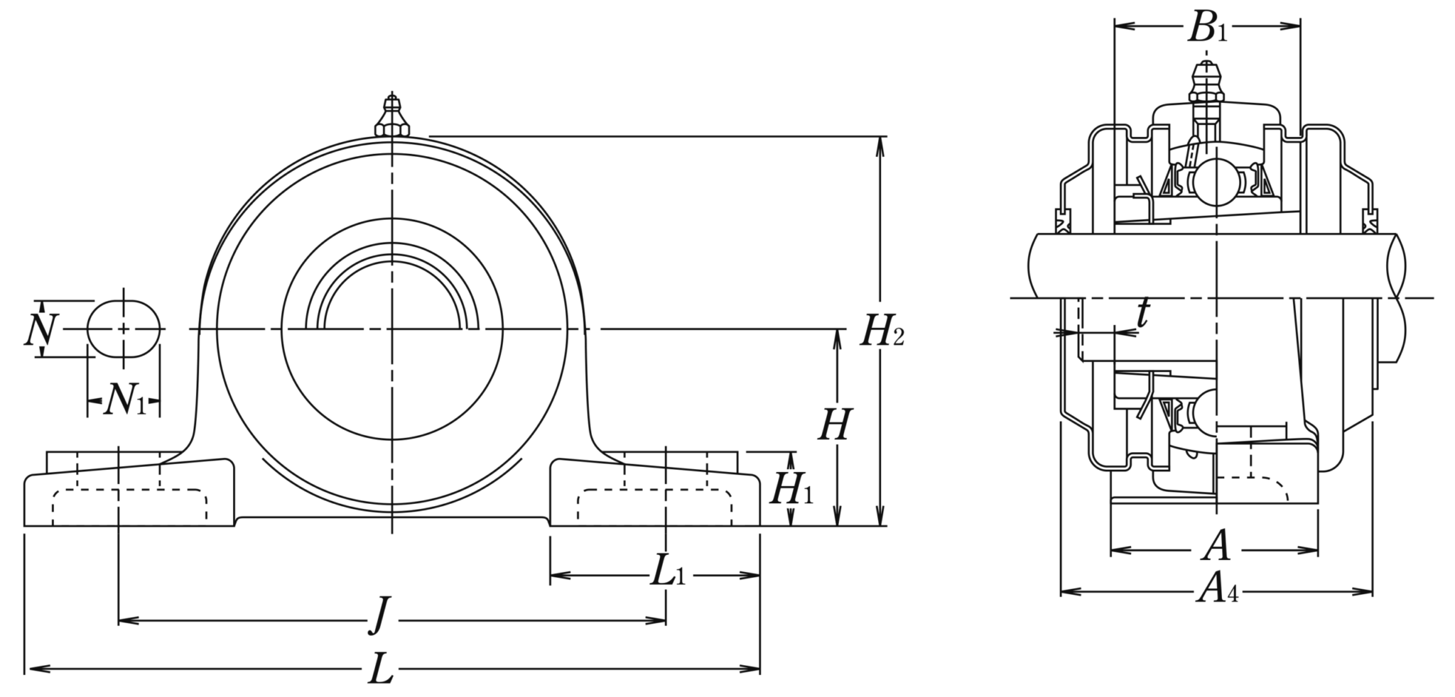
Nominal Dimensions
| d | 30 | mm | Bore diameter |
| N1 | 20 | mm | Length of attachment bolt hole |
| L | 167 | mm | Overall length |
| H | 47.6 | mm | Height of spherical seat centre |
| J | 127 | mm | Distance between attachment bolts |
| N | 17 | mm | Diameter of attachment bolt hole |
| A | 48 | mm | Base width |
| A4 | 60 | mm | Width including end cover |
| t | 3 | mm | Clearance |
| H1 | 18 | mm | Distance between bottoms of piloting grooves |
| B1 | 43 | mm | Width of inner ring |
| L1 | 54 | mm | Foot width |
| H2 | 93 | mm | Overall height |
Mounting information
| G | M14 | Bolt size |
Mass
| mass | 1.8 | kg | Mass approx. |

