Parça Numarası
Soruşturma
Ürün Bilgileri
Tanımlamalar
C-UCFC202D1
Temel Yük Değerleri
| Cr | 12.8 | kN | Temel dinamik yük değeri |
| C0r | 6.65 | kN | Temel statik yük değeri |
Others
Included products
| Bearing | UC202D1 | Bearing | |
| Housing | FC204D1 | Housing |
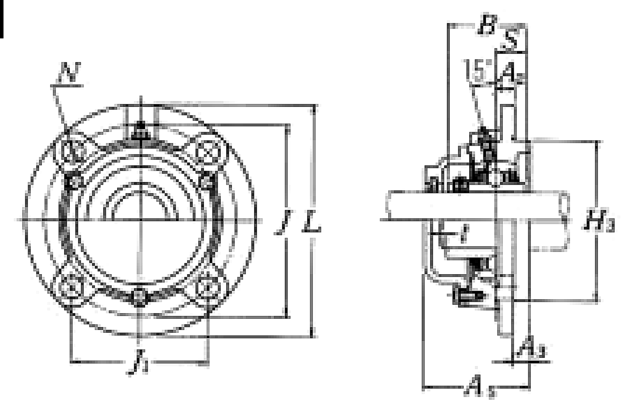
Nominal Dimensions
| d | 15 | mm | Delik çapı |
| L,H | 100 | mm | Overall length |
| H3 | 62 | mm | Outer diameter of Spigot Joint |
| J | 78 | mm | Pitch diameter of attachment bolts |
| J1 | 55.2 | mm | Distance between attachment bolts |
| N | 12 | mm | Diameter of attachment bolt hole |
| A3 | 5 | mm | Height of of Spigot Joint |
| A2 | 10 | mm | Flange width |
| A1 | 20.5 | mm | Flange width |
| A5 | 46 | mm | Width including end cover |
| B,B1,B2 | 31 | mm | Width of inner ring |
| t | 2 | mm | Gümrükleme |
| S | 12.7 | mm | Distance from Opposite side face of locking device to raceway centre |
Mounting information
| G | M10 | Bolt size |
Kütle
| mass | 0.9 | kg | Mass approx. |

