Parça Numarası
Soruşturma
Ürün Bilgileri
Tanımlamalar
C-UKF211D1
Temel Yük Değerleri
| Cr | 43.5 | kN | Temel dinamik yük değeri |
| C0r | 29.2 | kN | Temel statik yük değeri |
Others
Included products
| Bearing | UK211D1 | Bearing | |
| Housing | F211D1 | Housing |
Associated products
| Adapter sleeve | H2311X | Adapter sleeve |
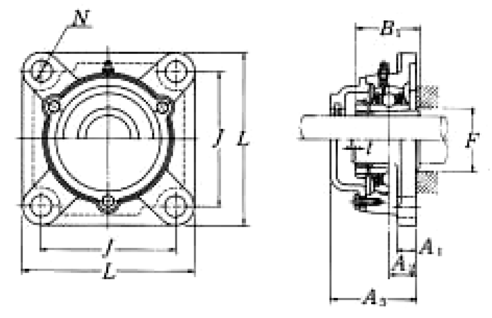
Nominal Dimensions
| d | 50 | mm | Delik çapı |
| L | 162 | mm | Overall length |
| J | 130 | mm | Distance between attachment bolts |
| N | 19 | mm | Diameter of attachment bolt hole |
| A2 | 25 | mm | Flange width |
| A1 | 18 | mm | Flange width |
| A5 | 75 | mm | Width including end cover |
| A0 | 54.5 | mm | Overall width |
| B,B1,B2 | 59 | mm | Width of inner ring |
| F | 64 | mm | Gövde dayanağının çapı |
| t | 4 | mm | Gümrükleme |
Mounting information
| G | M16 | Bolt size |
Kütle
| mass | 4.3 | kg | Mass approx. |

