Parça Numarası
Soruşturma
Ürün Bilgileri
Tanımlamalar
C-UKFL217D1
Temel Yük Değerleri
| Cr | 83.5 | kN | Temel dinamik yük değeri |
| C0r | 64 | kN | Temel statik yük değeri |
Others
Included products
| Bearing | UK217D1 | Bearing | |
| Housing | FL217D1 | Housing |
Associated products
| Adapter sleeve | H2317X | Adapter sleeve |
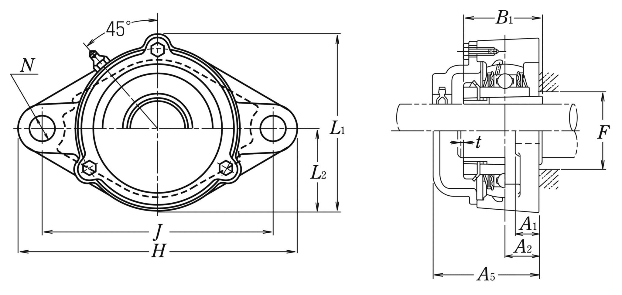
Nominal Dimensions
| d | 75 | mm | Delik çapı |
| L,L1 | 192 | mm | Overall height |
| J | 248 | mm | Distance between attachment bolts |
| N | 25 | mm | Diameter of attachment bolt hole |
| A2 | 36 | mm | Flange width |
| A1 | 24 | mm | Flange width |
| A5 | 114 | mm | Width including end cover |
| B,B1,B2 | 82 | mm | Width of inner ring |
| F | 95 | mm | Gövde dayanağının çapı |
| t | 5 | mm | Gümrükleme |
| H | 305 | mm | Overall length |
| L2 | 95 | mm | Height of spherical seat centre |
Mounting information
| G | M22 | Bolt size |
Kütle
| mass | 11 | kg | Mass approx. |
