Parça Numarası
Soruşturma
Ürün Bilgileri
Tanımlamalar
UELFC206D1
Temel Yük Değerleri
| Cr | 19.5 | kN | Temel dinamik yük değeri |
| C0r | 11.3 | kN | Temel statik yük değeri |
Others
Included products
| Bearing | UEL206D1 | Bearing | |
| Housing | FC206D1 | Housing |
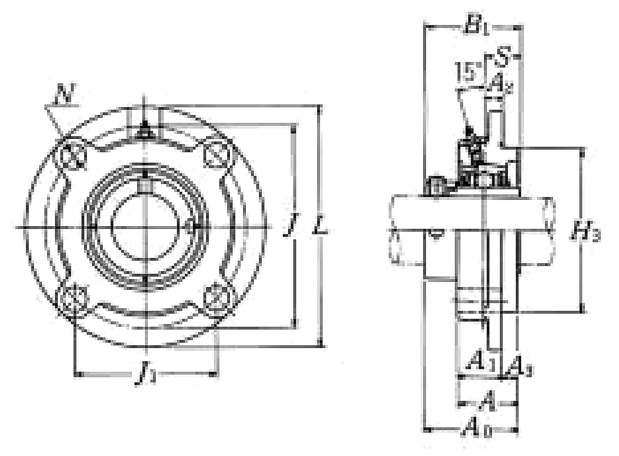
Nominal Dimensions
| d | 30 | mm | Delik çapı |
| L,H | 125 | mm | Overall length |
| H3 | 80 | mm | Outer diameter of Spigot Joint |
| J | 100 | mm | Pitch diameter of attachment bolts |
| J1 | 70.7 | mm | Distance between attachment bolts |
| N | 12 | mm | Diameter of attachment bolt hole |
| A3 | 8 | mm | Height of of Spigot Joint |
| A2 | 10 | mm | Flange width |
| A1 | 23 | mm | Flange width |
| A | 31 | mm | Base width |
| A0 | 48.1 | mm | Overall width |
| B,B1,B2 | 48.4 | mm | Width of inner ring |
| S | 18.25 | mm | Distance from Opposite side face of locking device to raceway centre |
Mounting information
| G | M10 | Bolt size |
Kütle
| mass | 1.4 | kg | Mass approx. |

