Parça Numarası

  • UELFU212D1 X AS3S
  • Soruşturma

    Ürün Bilgileri

    Tanımlamalar

    UELFU212D1

    Temel Yük Değerleri

    Cr52.5kNTemel dinamik yük değeri
    C0r36kNTemel statik yük değeri

    Others

    Included products

    Bearing UEL212D1 Bearing
    HousingFU212D1Housing

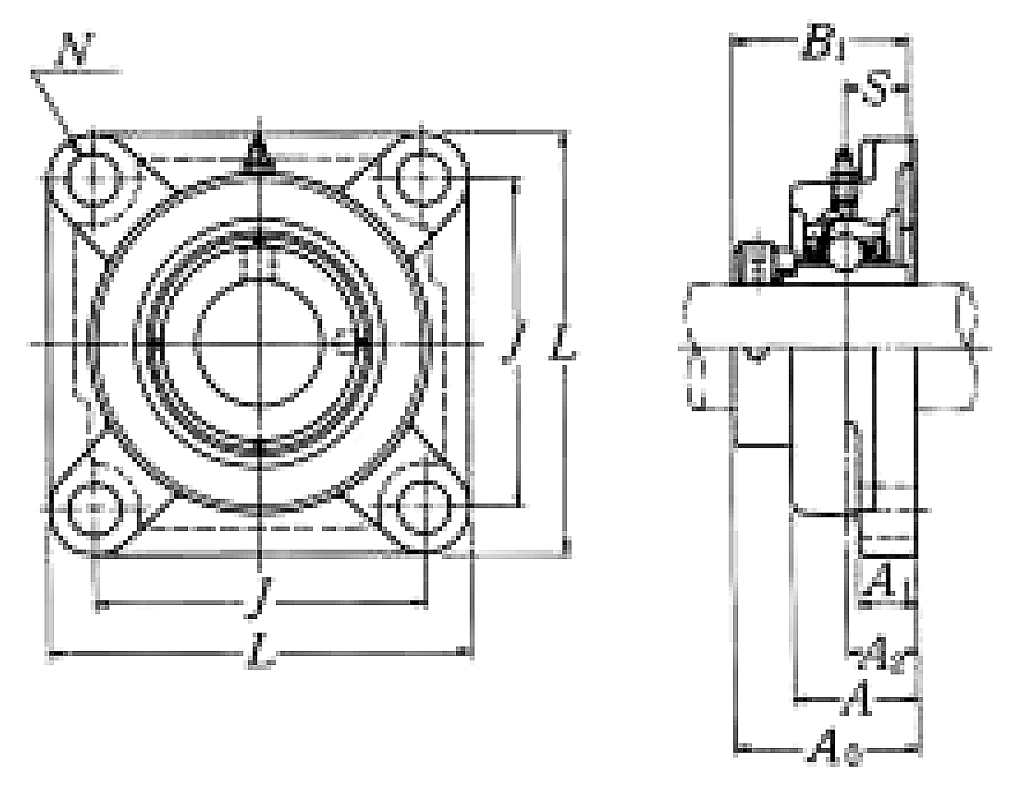
    Nominal Dimensions

    d60mmDelik çapı
    L175mmOverall length
    J143mmDistance between attachment bolts
    N18mmDiameter of attachment bolt hole
    A234mmFlange width
    A121mmFlange width
    A53mmBase width
    A080.8mmOverall width
    B,B1,B277.8mmWidth of inner ring
    S30.95mmDistance from Opposite side face of locking device to raceway centre

    Mounting information

    GM16Bolt size

    Kütle

    mass4.7kgMass approx.
    Üste Kaydır