Parça Numarası

  • UKPE212D1 X AS3S
  • Soruşturma

    Ürün Bilgileri

    Tanımlamalar

    UKPE212D1

    Temel Yük Değerleri

    Cr52.5kNTemel dinamik yük değeri
    C0r36kNTemel statik yük değeri

    Others

    Included products

    Bearing UK212D1 Bearing
    HousingPE212D1Housing

    Associated products

    Adapter sleeve H2312X Adapter sleeve

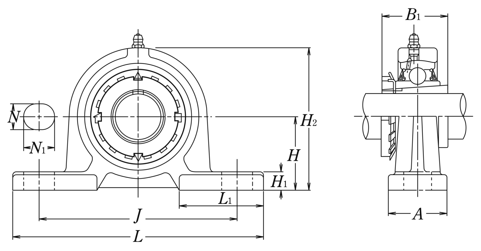
    Nominal Dimensions

    d55mmDelik çapı
    N122mmLength of attachment bolt hole
    L220mmOverall length
    H69.8mmHeight of spherical seat centre
    J184mmDistance between attachment bolts
    N19mmDiameter of attachment bolt hole
    A55mmBase width
    H117mmDistance between bottoms of piloting grooves
    B162mmWidth of inner ring
    L170mmFoot width
    H2137mmOverall height

    Mounting information

    GM16Bolt size

    Kütle

    mass3.8kgMass approx.
    Üste Kaydır