Parts Number
Inquiry
Product Information
Обозначения
13181/13318
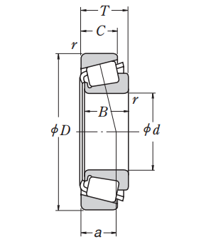
Граничные размеры
| d | 46.038 | mm | Bore diameter |
| D | 80.962 | mm | Outside diameter |
| T | 19.05 | mm | Total width |
| B | 17.462 | mm | Width of inner ring |
| C | 14.288 | mm | Width of outer ring |
| Cup r (min.) | 1.5 | mm | Chamfer dimension of outer ring (Cup) |
| Cone r (min.) | 0.8 | mm | Chamfer dimension of inner ring (Cone) |
Основные значения нагрузки
| Cr | 55500 | N | Basic dynamic load rating |
| C0r | 57000 | N | Basic static load rating |
Скорости
| Grease | 4300 | min-1 | Grease lubrication |
| Oil (Oil-bath) | 6000 | min-1 | Oil-bath lubrication |
Abutment and Fillet Dimensions
| da | 52 | mm | Diameter of shaft abutment |
| Da | 72 | mm | Diameter of housing abutment |
| db | 52 | mm | Diameter of shaft abutment |
| Db | 76 | mm | Diameter of housing abutment |
| ra (max.) | 0.8 | mm | Radius of shaft or housing fillet of inner ring |
| ra (max.) | 1.5 | mm | Radius of shaft or housing fillet of outer ring |
Calculation factors
| e | 0.53 | Constant | |
| Y0 | 0.63 | Axial load Factors | |
| Y1 | 1.1 | Axial load Factors |
Mass
| CONE (approx.) | 0.236 | kg | |
| CUP (approx.) | 0.144 | kg |


