Parts Number

  • 7003AWDF
  • 7003AWDFP5
  • 7003AWDFP6
  • Inquiry

    Product Information

    Обозначения

    7003AWDF

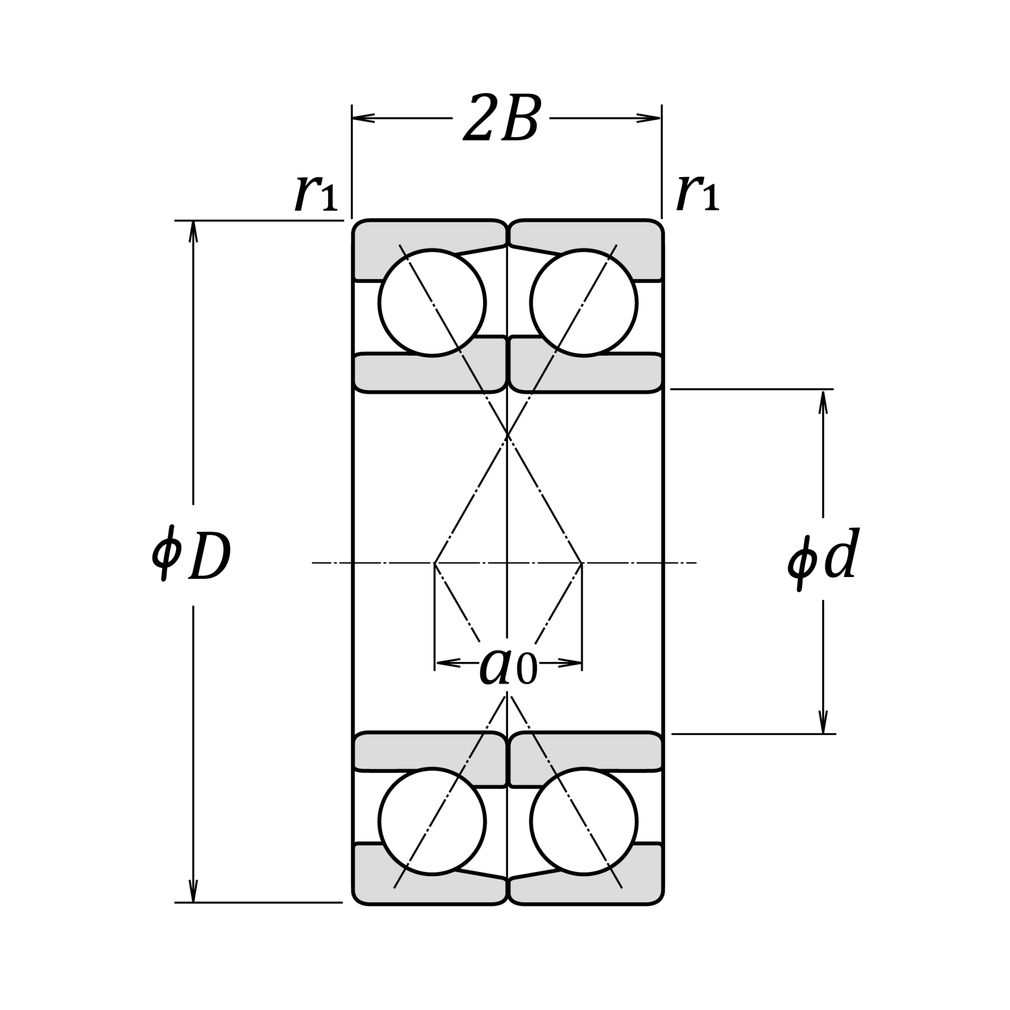
    Граничные размеры

    d17mmBore diameter
    D35mmOutside diameter
    2B20mmWidth 2B
    r (min.)0.3mmChamfer dimension
    r1 (min.)0.15mmChamfer dimension

    Основные значения нагрузки

    Cr11500NBasic dynamic load rating
    C0r7650NBasic static load rating

    Скорости

    Grease14000min-1Grease lubrication
    Oil (Oil-bath)19000min-1Oil-bath lubrication

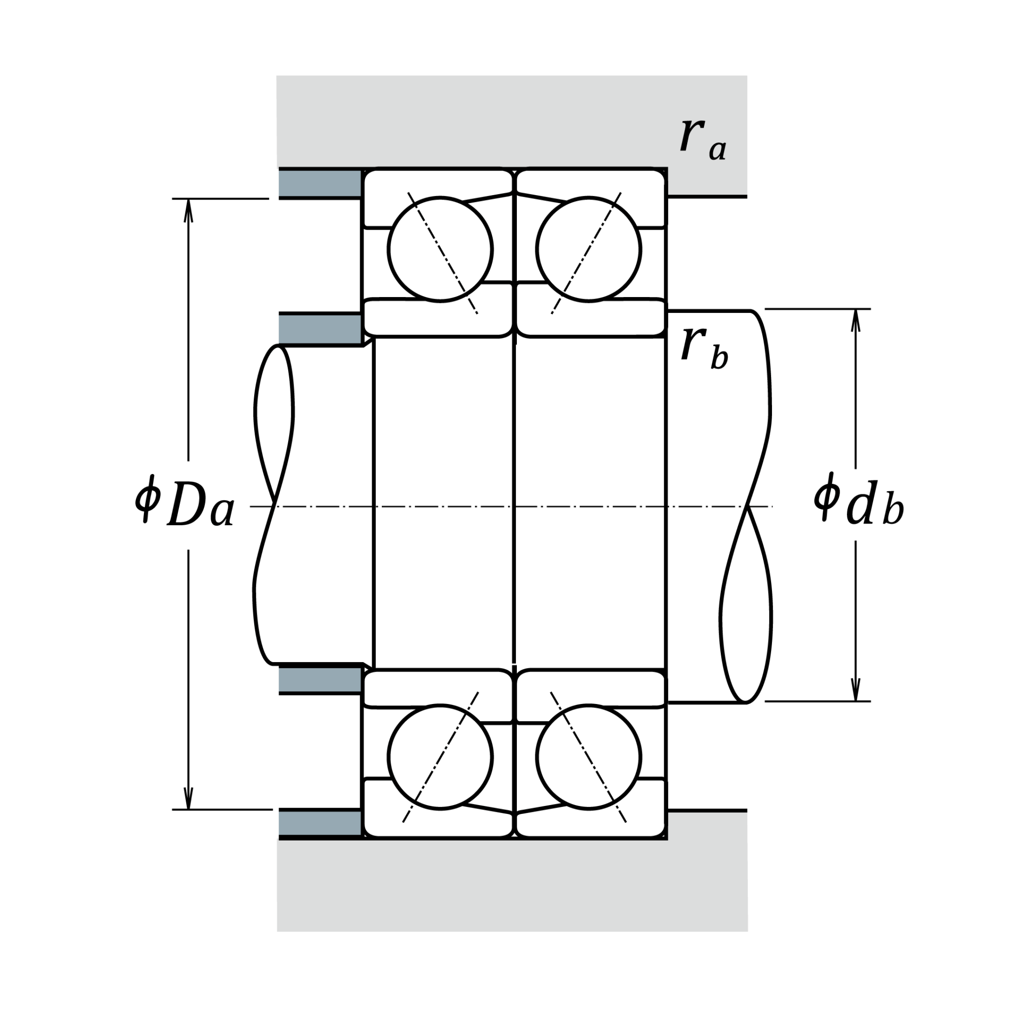
    Abutment and Fillet Dimensions

    rb (max.)0.15mmRadius of fillet
    Da (max.)32.5mmDiameter of housing abutment
    db (min.)18.2mmDiameter of shaft abutment
    ra (max.)0.3mmRadius of shaft or housing fillet

    Mass

    (approx.)0.08kg
    Прокрутить вверх