Parts Number
Inquiry
Product Information
Обозначения
ASPF202
Основные значения нагрузки
| Cr | 9.6 | kN | Basic dynamic load rating |
| C0r | 4.6 | kN | Basic static load rating |
Others
Included products
| Bearing | AS202 | Bearing | |
| Housing | PF203 | Housing |
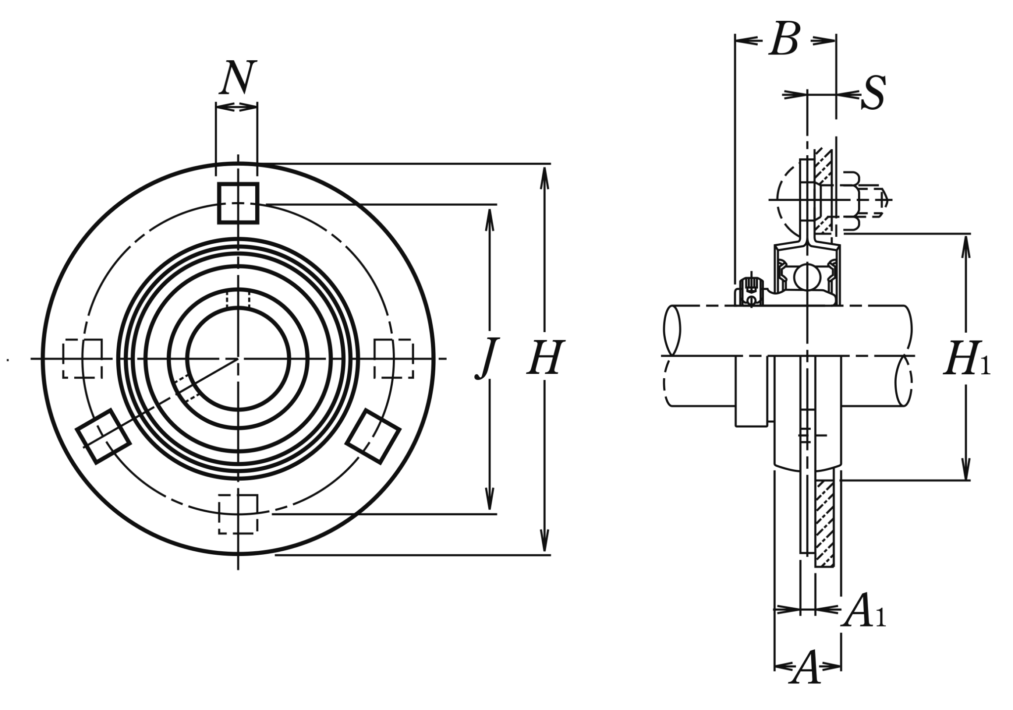
Nominal Dimensions
| d | 15 | mm | Bore diameter |
| L,H | 81 | mm | Overall length |
| J | 63.5 | mm | Pitch diameter of attachment bolts |
| N | 7.1 | mm | Diameter of attachment bolt hole |
| A1 | 4 | mm | Flange width |
| A | 14 | mm | Base width |
| B,B1,B2 | 22 | mm | Width of inner ring |
| H1 | 49 | mm | Abutment diameter |
| S | 6 | mm | Distance from Opposite side face of locking device to raceway centre |
Mounting information
| G | M6 | Bolt size |
Mass
| mass | 0.2 | kg | Mass approx. |

