Parts Number
Inquiry
Product Information
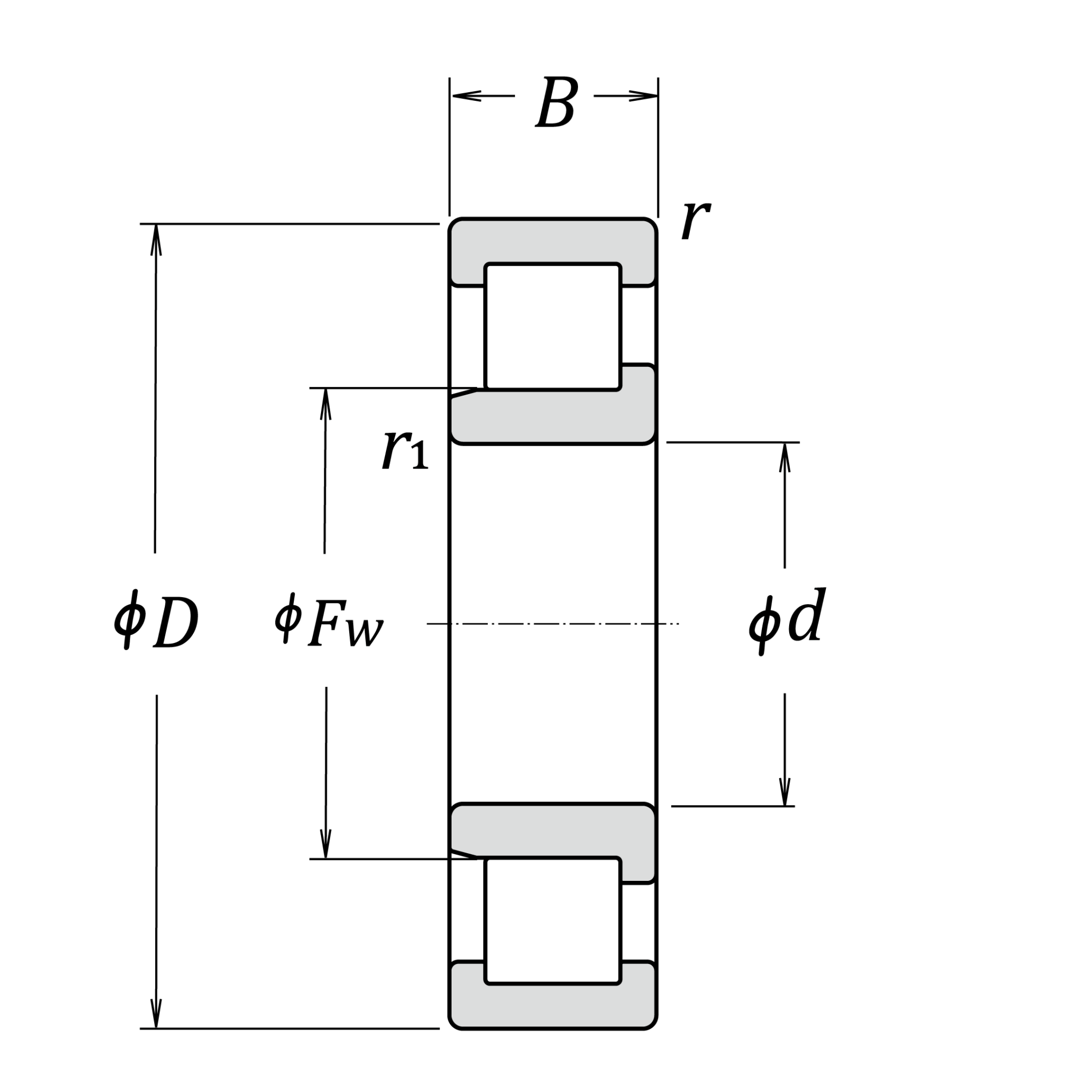
Обозначения
NJ213ET7
Граничные размеры
| d | 65 | mm | Bore diameter |
| D | 120 | mm | Outside diameter |
| B | 23 | mm | Width |
| FW | 78.5 | mm | Raceway diameter of inner ring |
| r (min.) | 1.5 | mm | Chamfer dimension |
| r1 (min.) | 1.5 | mm | Chamfer dimension |
Основные значения нагрузки
| Cr | 132000 | N | Basic dynamic load rating |
| C0r | 119000 | N | Basic static load rating |
Скорости
| Thermal Speed Rating (Oil-bath) | 6000 | min-1 | Oil-bath lubrication subject to conditions outlined in ISO 15312 |
| Mechanical (forced-circulation oil) | 7100 | min-1 | Properly designed and controlled forced-circulation oil lubrication |
| Grease | 4800 | min-1 | Grease lubrication |
| Oil (Oil-bath) | 5600 | min-1 | Oil-bath lubrication |
Abutment and Fillet Dimensions
| db (min.) | 73 | mm | Diameter of shaft / spacer sleeve abutment |
| db (max.) | 76 | mm | Diameter of shaft / spacer sleeve abutment |
| dd (min.) | 87 | mm | Diameter of shaft abutment |
| Da (max.) | 112 | mm | Diameter of housing abutment |
| ra (max.) | 1.5 | mm | Radius of shaft or housing fillet |
Mass
| (approx.) | 1.06 | kg |


